EasyManua.ls Logo

Fuji Electric Frenic Mega Series - Page 613

Fuji Electric Frenic Mega Series
774 pages
To Next Page IconTo Next Page
To Next Page IconTo Next Page
To Previous Page IconTo Previous Page
To Previous Page IconTo Previous Page
Loading...
11.4 Option
11-78
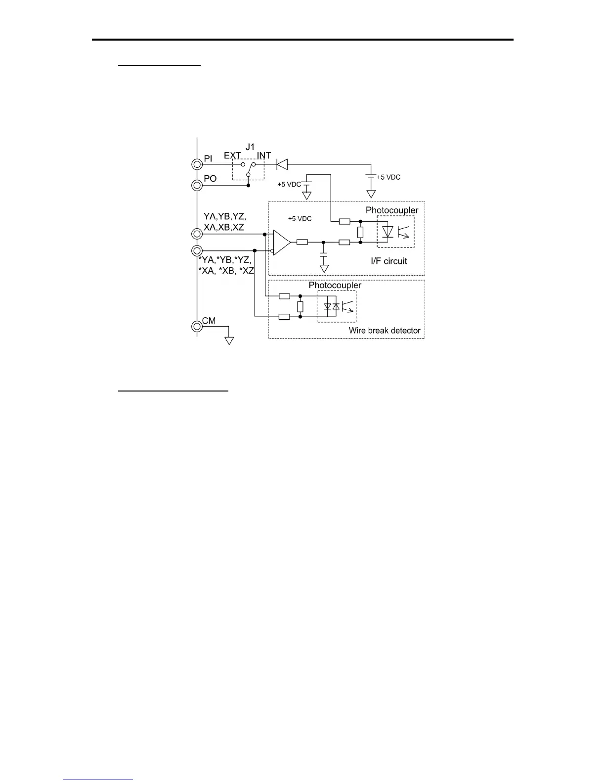
Circuit configuration
Shown below is a circuit configuration example where the internal power source (5 V) supplies power to
the PG. (J1 is set to the INT position.)
Each phase input circuit has a wire break detector. It can be disabled when YZ, XA, XB, XZ-phase wire
break does not need to be detected. The YA- and YB-phase wire break detectors are always ON.
Figure 11.4-32 Circuit Configuration
Corresponding control type
Using this interface card allows for the following control types:
1) Vector control with speed sensor
2) V/f control with speed sensor or torque vector control with speed sensor
3) Pulse train input
4) Synchronous operation
5) Positioning control (BTO)/vibration control

Table of Contents

Related product manuals