EasyManua.ls Logo

Harris Maxiva ULX - PA Interface Card; Predriver and IPA Drive A and B Busses

Default Icon
308 pages
To Next Page IconTo Next Page
To Next Page IconTo Next Page
To Previous Page IconTo Previous Page
To Previous Page IconTo Previous Page
Loading...
10/6/10 888-2629-200 4-13
WARNING: Disconnect primary power prior to servicing.
Section 4 Theory of Operation
Maxiva ULX COFDM Series
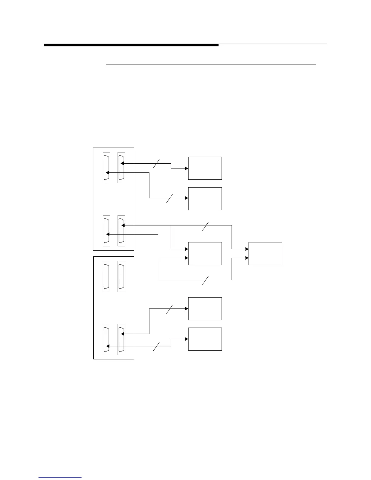
4.4.3.4 PA Interface Card
The PA interface card(s) connects the TCU, Predriver assembly, IPA (driver) and PA
backplane boards. The interface features 40 digital outputs/inputs and 24 analog
outputs/inputs. A fully populated cabinet will require two PA interface cards, one card
per eight PA modules. The PA interface card sends the ON/OFF commands to the PA
modules and receives fault information and status from them.
Figure 4-6 shows how the
PA interface boards connect to the IPA (driver) and PA backplanes.
Figure 4-6 PA Interface Card Connection to Backplane Boards
4.4.3.4.1 Predriver and IPA Drive A and B Busses
The Drive A and Drive B busses provide control and monitoring of the predriver and
IPA modules A and B. These busses run from connectors J3A and J3B of PA interface
PA Interface
Board, A4A7
Rear VIew
PA Interface
Board, A4A8
Rear VIew
Predriver
Assembly
IPA
Backplane
PA
Backplane
PA
Backplane
PA
Backplane
PA
Backplane
AB
CD
AB
CD
A5
A6
A7
A8
A9
A12
Drive A
Drive B
50
50
J1
J5
J1
J1
J1
J2
J1
J1
BP 1
50
BP 2
50
BP 3
50
BP 4
50

Table of Contents

Related product manuals