EasyManua.ls Logo

HeMaTech 3925-0050 - Pneumatic Diagram (Overpressure Device)

HeMaTech 3925-0050
138 pages
Print Icon
To Next Page IconTo Next Page
To Next Page IconTo Next Page
To Previous Page IconTo Previous Page
To Previous Page IconTo Previous Page
Loading...
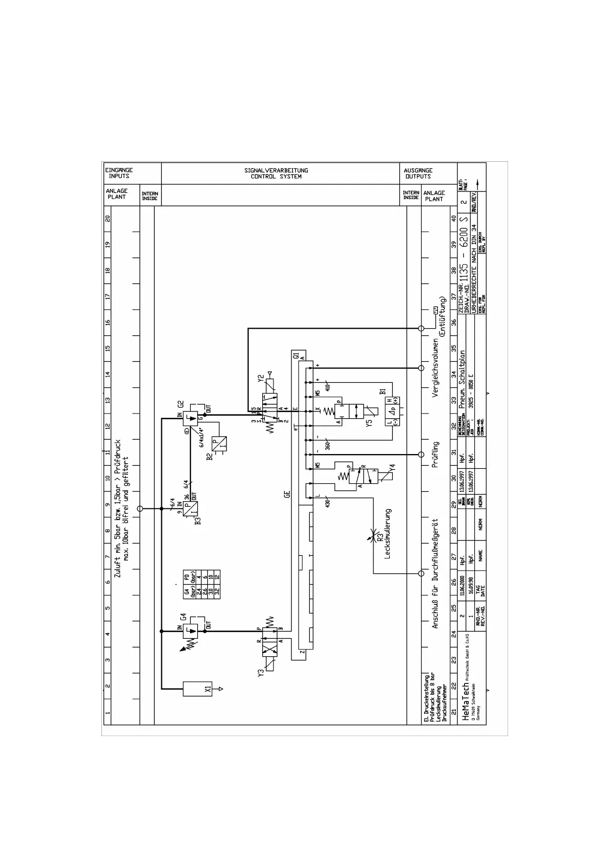
Pneumatic diagram (overpressure device) Appendix
EN 3925-0060 V207-00 MANUAL R03.doc
HeMaTech
Prüftechnik
130
Pneumatic diagram (overpressure device)

Table of Contents