EasyManua.ls Logo

Hioki RM3542 - Internal Circuitry

Hioki RM3542
218 pages
Print Icon
To Next Page IconTo Next Page
To Next Page IconTo Next Page
To Previous Page IconTo Previous Page
To Previous Page IconTo Previous Page
Loading...
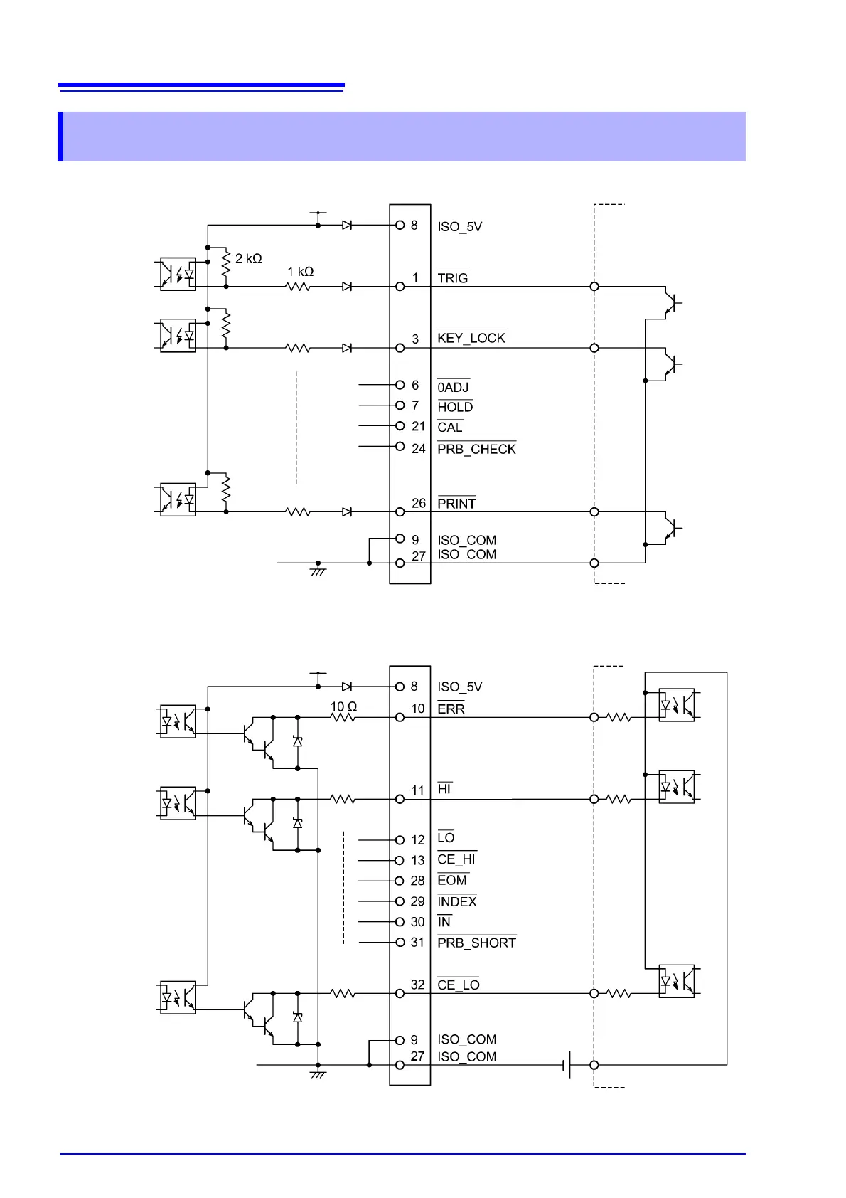
8.3 Internal Circuitry
90
8.3 Internal Circuitry
Input Circuit
Output Circuit
PLC, etc. (Controller)
Internally Isolated
Common Signal Ground
Do not apply external power
Common
Output
PLC, etc. (Controller)
Input
Common
Internally Isolated
Common Signal Ground
Zener Voltage
30 V
Internally Isolated 5 V
Internally Isolated 5 V

Table of Contents

Other manuals for Hioki RM3542

Related product manuals