EasyManua.ls Logo

ISHIDA UNI-8 - Pole Type; Exploded View

ISHIDA UNI-8
158 pages
Print Icon
To Next Page IconTo Next Page
To Next Page IconTo Next Page
To Previous Page IconTo Previous Page
To Previous Page IconTo Previous Page
Loading...
2-2
Chapter 2 Mechanical hardware
to15
to7
to42
1
2
3
4
5
6
7
8
9
10
11
13
12
14
15
17
18
21
22
24
25
26
27
28
29
30
31
32
33
34
37
38 39
40
41
42
43
44
45
46
47
48
49
50
51
52
53
54
55
56
57
58
59
60
61
62
63
64
65
66
68
67
69
70
71
72
73
74
75 76
77
78
79
80
81
82
83
84
85
86
87
88
89 90
100
101
102103
104
105
106
107
108
109
112
113
114
115
110111
116
117
118
119
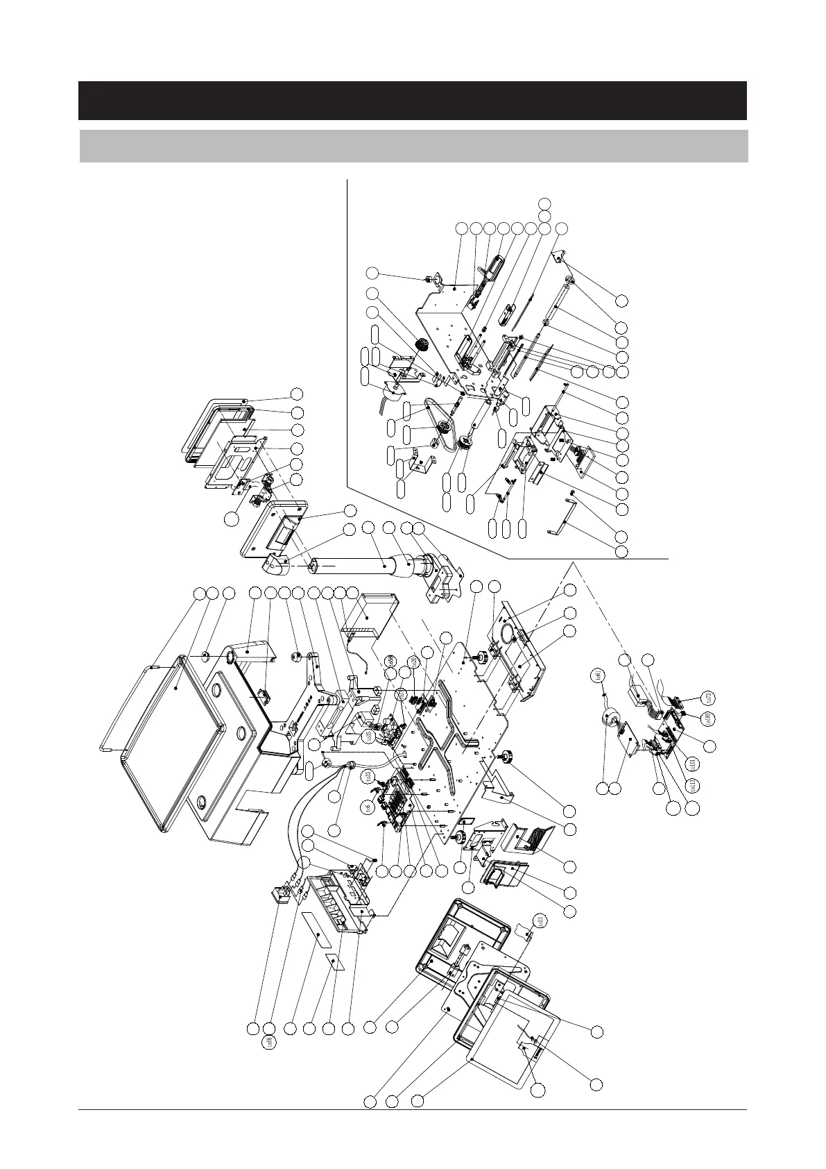
Uni-8P
300-000-2238-00
Explode Drawing
16
19
20
35
36
35
23
91
92
93
94
95
96
97
9899
to16
120
2.2 Pole type
2.2.1 Exploded view

Table of Contents

Related product manuals