EasyManua.ls Logo

Lenze 9300 vector Series - Page 58

Lenze 9300 vector Series
330 pages
Go to English
To Next Page IconTo Next Page
To Next Page IconTo Next Page
To Previous Page IconTo Previous Page
To Previous Page IconTo Previous Page
Loading...
Elektrische Installation
EMV−gerechte Installation (Aufbau des CE−typischen Antriebssystems)
5
58
EDKVF9333V DE/EN/FR 7.2
K10
L1
L2
L3
N
PE
F1…F3
EVF9321
EVF9333
9352
PE
PE
PES
PES PES
PES
PESPES
28
E1
E2
E3
E5
E4
ST1
ST2
39
A1
A3
A2
A4
59
X5
33
34
K32
K31
IN2
IN3
IN4
IN1
X11
GND
LO
HI
X4
PE
U
VW
T1 T2
+UG
+UG
-UG
-UG
S1
K10
K10
S2
PE L1 L2
L3
DC 24 V
Z1
+
PES
PES
3
7
4
63
2
62
1
7
X6
PE
PES
PES
PE PE
M
3~
J>
PES PES
M
3~
KTY
X8/5
X8/8
PESPES
PESPES PESPES
PESPES PESPES
PEPE
Z4Z3
JRB
RB
RB2
RB2 T2T1
RB1
RB1
PEPE
PE
Z2
X8
X9
X10
9300VEC108
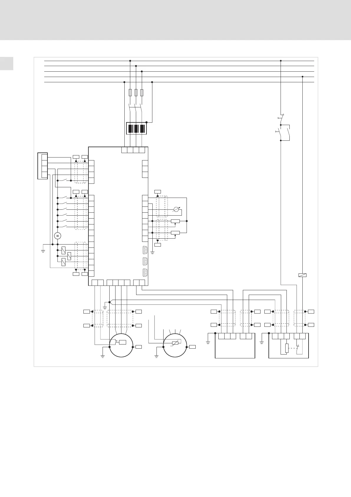
Abb. 5−1 Beispiel für eine EMV−gerechte Verdrahtung
F1 ... F3 Absicherung
K10 Netzschütz
Z1 Speicherprogrammierbare Steuerung (SPS)
Z2 Netzdrossel oder Netzfilter
Z3 Bremschopper EMB9352−E
Z4 Bremswiderstand
S1 Netzschütz einschalten
S2 Netzschütz ausschalten
+U
G
, −U
G
Anschluss DC−Zwischenkreis
PES HF−Schirmabschluss durch großflächige Anbindung an PE

Table of Contents

Other manuals for Lenze 9300 vector Series

Related product manuals