EasyManua.ls Logo

Liebert Hipulse E - Emergency Stop (EPO)

Liebert Hipulse E
151 pages
Print Icon
To Next Page IconTo Next Page
To Next Page IconTo Next Page
To Previous Page IconTo Previous Page
To Previous Page IconTo Previous Page
Loading...
Installation Manual Liebert Hipulse E Chapter 4 - ‘1+N’ System
Single or '1+N' UPS System
(07/04) Page 4-5
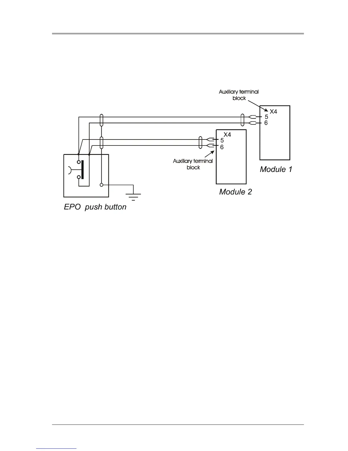
4.2.6 Emergency Stop (EPO)
The external emergency stop facility is identical to that described for the single module installation — that an individual
Emergency Stop button is provided for each module.
Note that this is a normally closed switch.
Figure 4-4 Connection of EPO push button.

Table of Contents

Related product manuals