EasyManua.ls Logo

Liebert Hipulse E - Battery Temperature Board (Optional P;N 4532029 V)

Liebert Hipulse E
151 pages
Print Icon
To Next Page IconTo Next Page
To Next Page IconTo Next Page
To Previous Page IconTo Previous Page
To Previous Page IconTo Previous Page
Loading...
Chapter 3 - Battery Installation Liebert Hipulse E Installation Manual
Single or '1+N' UPS System
Page 3-8 (07/04)
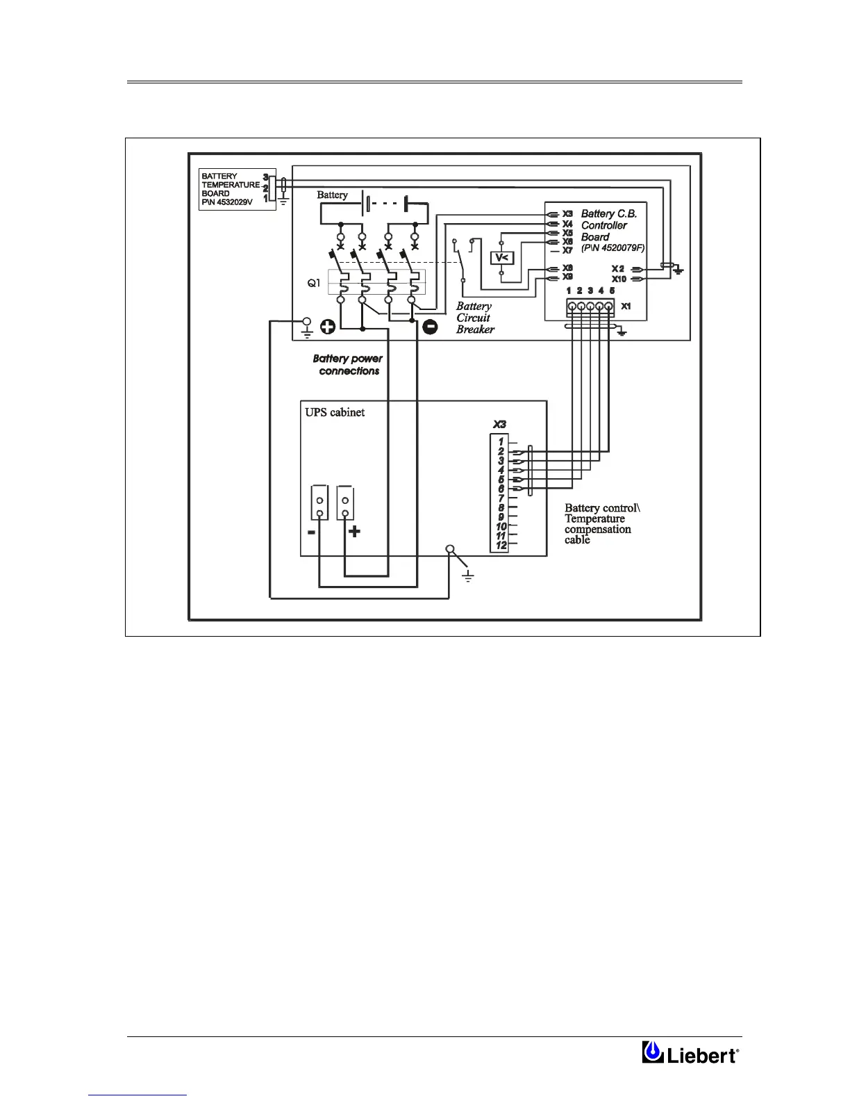
Figure 3-4 Battery circuit breaker box connection
3.8.1 Battery Temperature Board (Optional P/N 4532029V)
A battery temperature sensor card, supplied separately from the battery circuit breaker, is connected with the UPS logic
through the battery circuit breaker control card.
With this feature fitted, the nominal float voltage supplied to the battery is adjusted so as to be inversely proportional to
the ambient battery cabinet/room temperature. This prevents the battery being over charged at high ambient
temperatures.

Table of Contents

Related product manuals