EasyManua.ls Logo

Mec 3072ES - Page 198

Mec 3072ES
254 pages
Print Icon
To Next Page IconTo Next Page
To Next Page IconTo Next Page
To Previous Page IconTo Previous Page
To Previous Page IconTo Previous Page
Loading...
October 2008
Page E-14
“3072ES / 3772ES / 3772ES HD” Service and Parts Manual
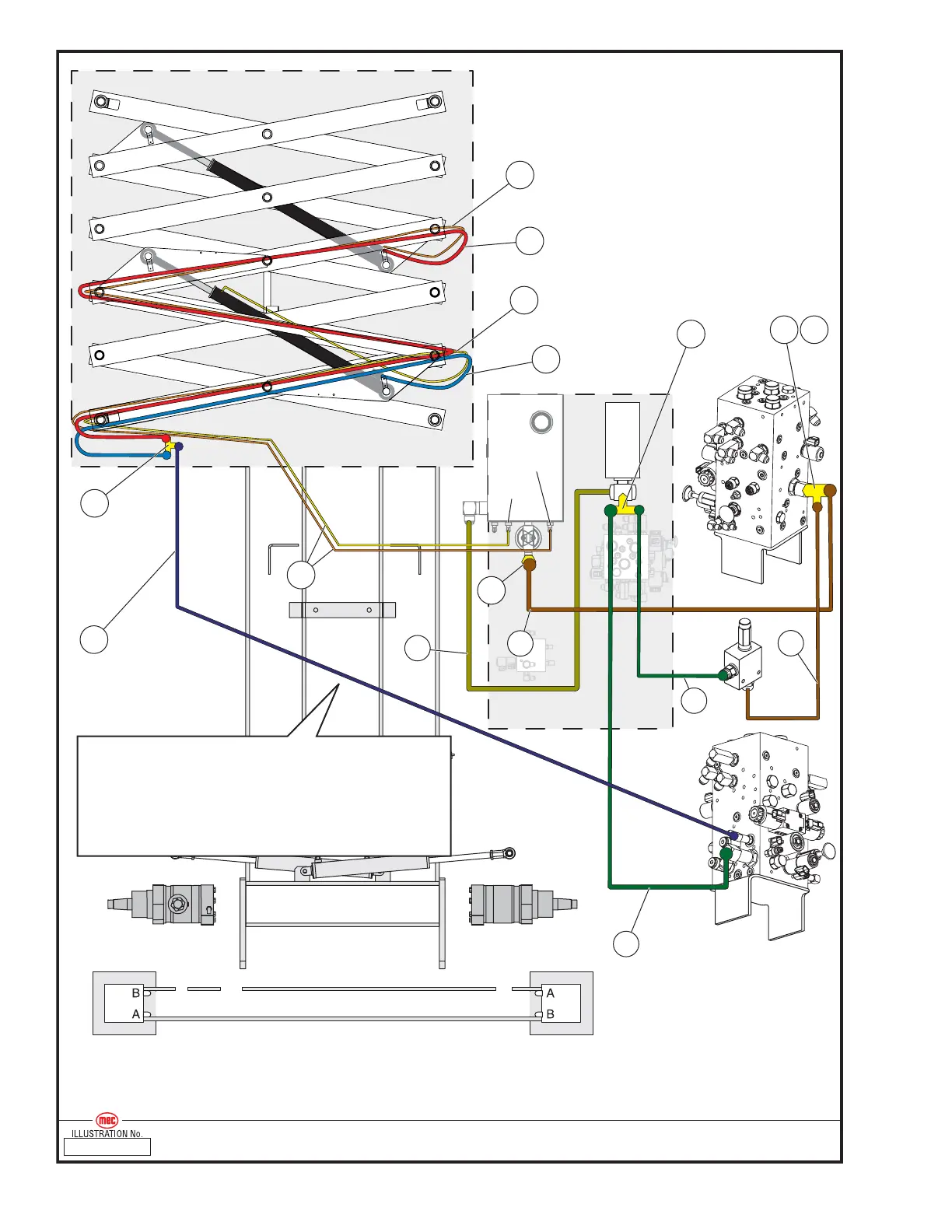
ART_2708 R1
Hose Kit - Pump and Lift3072ES - 3772ES - 3772ES HD: Sheet 3 of 4
CONTROL MODULE
POWER MODULE
HD Models: OUTRIGGERS
HD Models: OUTRIGGERS
BACK
RIGHT
FRONT
LEFT
LEFT
FRONT
29
3772
Upper Cyl
Return
3772 ONLY
3772 ONLY
3772 ONLY
3772 ONLY
NOTE: Main Manifold to Lift Cylinder --
Lift Cyl
Return
30
11
11
19 20
21
11
28
31
23
22
27
24
26
25
1 hose from manifold to cylinder
1 hose to tee at bottom of scissor stack
1 hose from tee to lower lift cylinder
1 hose from tee to upper lift cylinder
3072ES -
3772ES -

Table of Contents

Related product manuals