EasyManua.ls Logo

Mec 3072ES - Page 26

Mec 3072ES
254 pages
Print Icon
To Next Page IconTo Next Page
To Next Page IconTo Next Page
To Previous Page IconTo Previous Page
To Previous Page IconTo Previous Page
Loading...
October 2008 "3072ES / 3772ES / 3772ES HD" Service & Parts Manual
Page 1-10
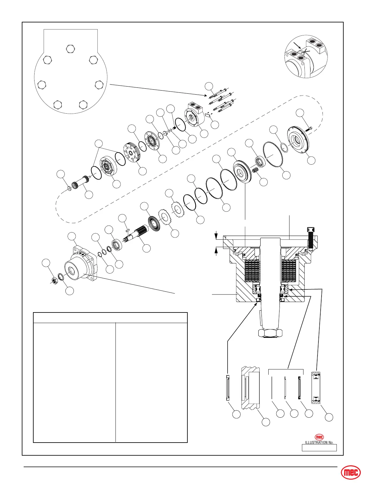
ART_2549
1. Dust Seal
2. Metal Backup Shim
3. Backup Seal
4. Shaft Seal
5. Small Piston O-Ring Seal
6. Small Piston Seal
7. Large Piston O-Ring Seal
8. Large Piston Seal
9. O-Ring Seal
10. Body Seals (3)
11. Manifold Seal
12. Commutator Seal
13. O-Ring Se
al
14. Backup Seal
15. Housing
16. Shaft Bearing
17. Friction Disks (10)
18. Disk Stampings (9)
19. Thick Disk Stampings (2)
20. Piston
21. Springs (25)
22. Spacer Shims (1–3)
23. Rear Housing
24. Capscrews (8)
25. Drive Link Spacer
26. Drive Link
27. Rotor Assembly
28. Manifold
29.
Commutator Assembly
30. Endcover Piston
31. Piston Spring
32. Endcover
33. I.D. Tag Assembly
34. Assembly Bolts (7)
35. Shaft
36. Shaft Key
37. Shaft Nut
DT710 BRAKE MOTOR COMPONENTS
9
35
18
5
7
21
23
36
17
19
6
8
20
24
37
22
16
4
2
1
16
3
15
10
31
10
34
13
12
11
33
32
14
30
29
28
27
26
25
V Marks for Reassembly
16
432
15
1
1
6
3
7
2
5
4
TORQUE
SEQUENCE
PRE-TORQUE = 10 FT LBS
FINAL TORQUE = 50 FT LBS
.630
.620
Piston
Rear Housing Mounting Surface
Front Housing

Table of Contents

Related product manuals