EasyManua.ls Logo

MTC Air Conditioner - Ducts and Grilles; Components

Default Icon
164 pages
Print Icon
To Next Page IconTo Next Page
To Next Page IconTo Next Page
To Previous Page IconTo Previous Page
To Previous Page IconTo Previous Page
Loading...
DUCTS AND GRILLES
MTC-139
C
D
E
F
G
H
I
K
L
M
A
B
MTC
Revision: January 2005 2004 Quest
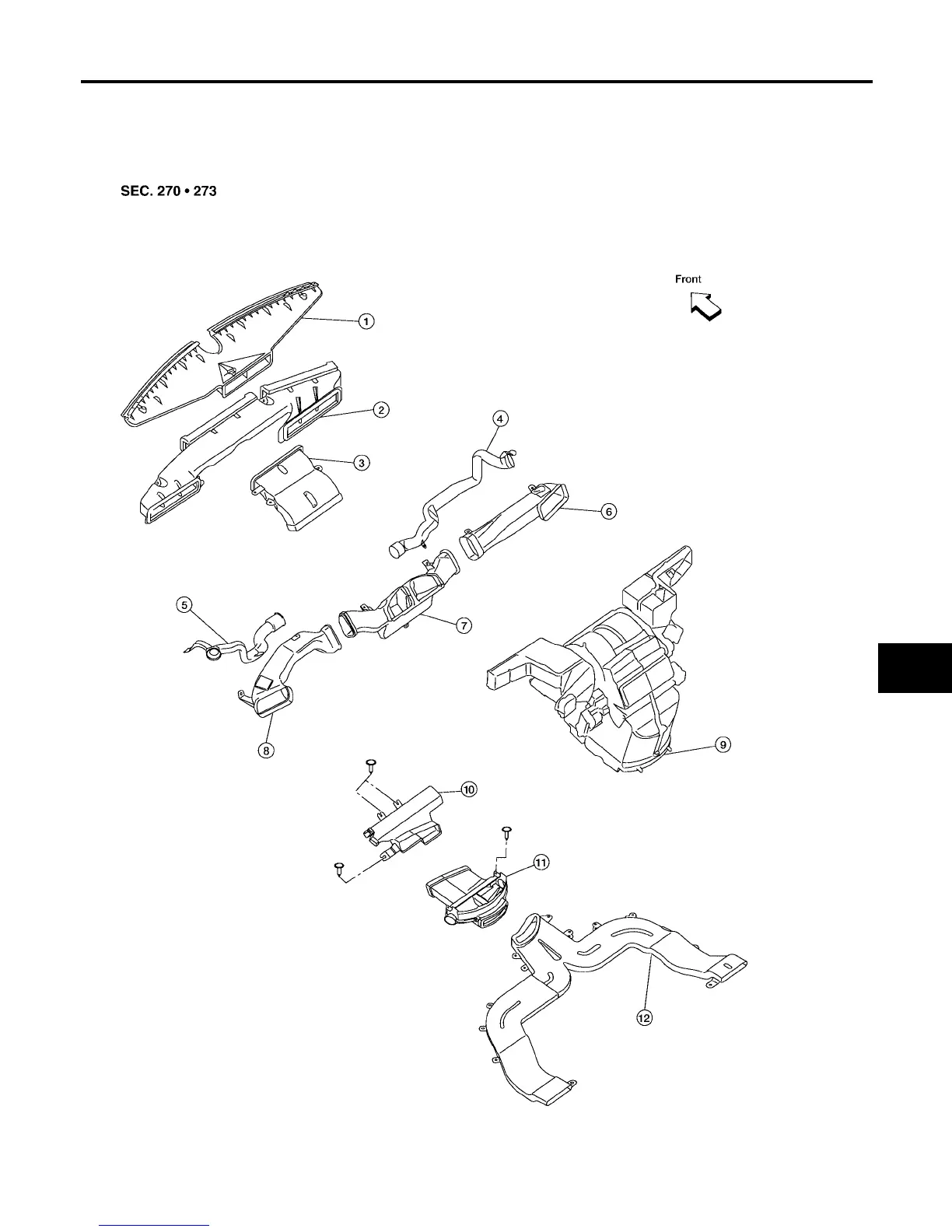
DUCTS AND GRILLES PFP:27860
Components EJS001U7
Ducts - Front Heater and Cooling Unit Assembly
LJIA0085E

Table of Contents