EasyManua.ls Logo

MTC Air Conditioner - Wiring Diagram -A;C,M

Default Icon
164 pages
Print Icon
To Next Page IconTo Next Page
To Next Page IconTo Next Page
To Previous Page IconTo Previous Page
To Previous Page IconTo Previous Page
Loading...
TROUBLE DIAGNOSIS
MTC-39
C
D
E
F
G
H
I
K
L
M
A
B
MTC
Revision: January 2005 2004 Quest
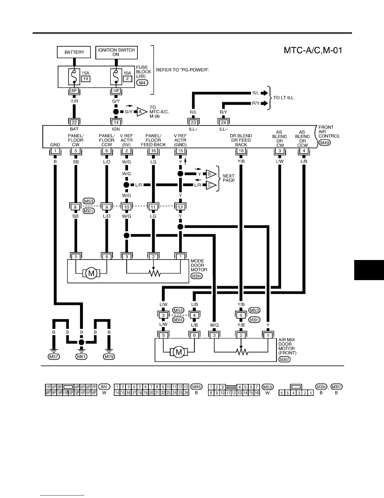
Wiring Diagram —A/C,M— EJS001SD
WJWA0260E

Table of Contents