EasyManua.ls Logo

MTC Air Conditioner - System Description; Diagnostic Procedure for Magnet Clutch

Default Icon
164 pages
Print Icon
To Next Page IconTo Next Page
To Next Page IconTo Next Page
To Previous Page IconTo Previous Page
To Previous Page IconTo Previous Page
Loading...
TROUBLE DIAGNOSIS
MTC-95
C
D
E
F
G
H
I
K
L
M
A
B
MTC
Revision: January 2005 2004 Quest
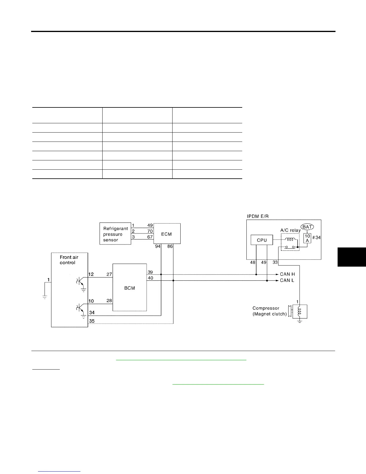
SYSTEM DESCRIPTION
The front air control controls compressor operation based on ambient and intake temperature and a signal
from ECM.
Low Temperature Protection Control
The front air control will turn the compressor ON or OFF as determined by a signal detected by the intake sen-
sor and the ambient sensor.
When intake air temperature is higher than the preset value, the compressor turns ON. The compressor turns
OFF when intake air temperature is lower than the preset value. That preset value is dependent on the ambi-
ent temperature. Refer to the following table.
DIAGNOSTIC PROCEDURE FOR MAGNET CLUTCH
SYMPTOM: Magnet clutch does not engage when A/C switch is ON.
1. CHECK INTAKE SENSOR CIRCUIT
Check intake sensor. Refer to MTC-50, "
A/C System Self-diagnosis Function" .
OK or NG
OK >> GO TO 2.
NG >> Malfunctioning intake sensor. Refer to MTC-113, "
Intake Sensor Circuit" .
Ambient temperature °C (°F)
Compressor ON
intake temperature C (°F)
Compressor OFF
intake temperature C (°F)
0 (32) 2.5 (37) 2.0 (36)
10 (50) 2.5 (37) 2.0 (36)
20 (68) 2.5 (37) 1.5 (35)
30 (86) 2.0 (36) 0.5 (33)
40 (104) 2.0 (36) 0.5 (33)
50 (122) 2.0 (36) 0.5 (33)
WJIA0472E

Table of Contents