EasyManua.ls Logo

MTC Air Conditioner - Component Layout; Front Refrigeration System

Default Icon
164 pages
Print Icon
To Next Page IconTo Next Page
To Next Page IconTo Next Page
To Previous Page IconTo Previous Page
To Previous Page IconTo Previous Page
Loading...
MTC-20
REFRIGERATION SYSTEM
Revision: January 2005 2004 Quest
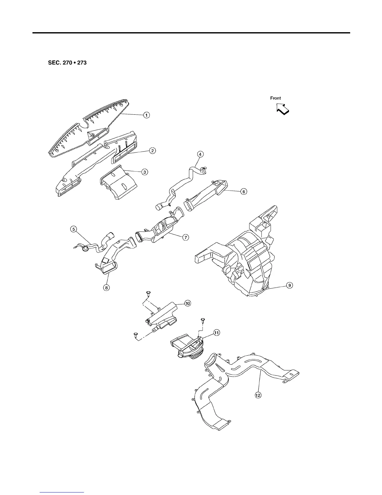
Component Layout EJS001RZ
FRONT REFRIGERATION SYSTEM
LJIA0085E

Table of Contents