EasyManua.ls Logo

MTC Air Conditioner - System Description; Switches and Their Control Function

Default Icon
164 pages
Print Icon
To Next Page IconTo Next Page
To Next Page IconTo Next Page
To Previous Page IconTo Previous Page
To Previous Page IconTo Previous Page
Loading...
AIR CONDITIONER CONTROL
MTC-29
C
D
E
F
G
H
I
K
L
M
A
B
MTC
Revision: January 2005 2004 Quest
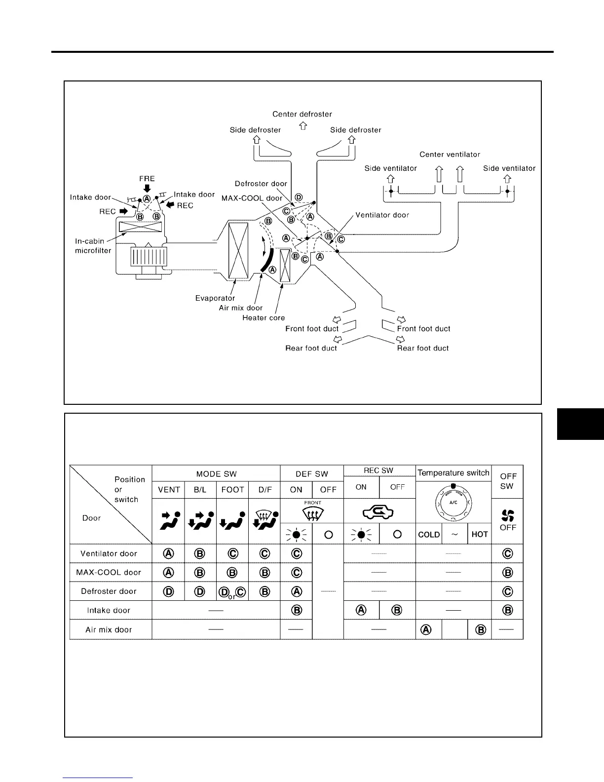
System Description EJS001S7
SWITCHES AND THEIR CONTROL FUNCTION
WJIA0531E
WJIA0532E

Table of Contents