EasyManua.ls Logo

MTC Air Conditioner - Page 44

Default Icon
164 pages
Print Icon
To Next Page IconTo Next Page
To Next Page IconTo Next Page
To Previous Page IconTo Previous Page
To Previous Page IconTo Previous Page
Loading...
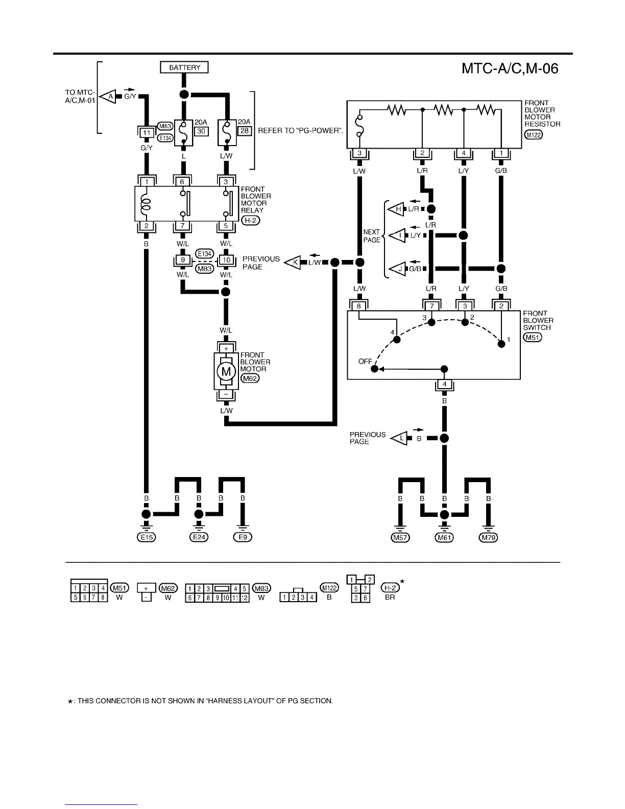
MTC-44
TROUBLE DIAGNOSIS
Revision: January 2005 2004 Quest
WJWA0261E

Table of Contents