EasyManua.ls Logo

Omron CPM2C - Page 104

Omron CPM2C
325 pages
Print Icon
To Next Page IconTo Next Page
To Next Page IconTo Next Page
To Previous Page IconTo Previous Page
To Previous Page IconTo Previous Page
Loading...
81
Unit Components Section 2-2
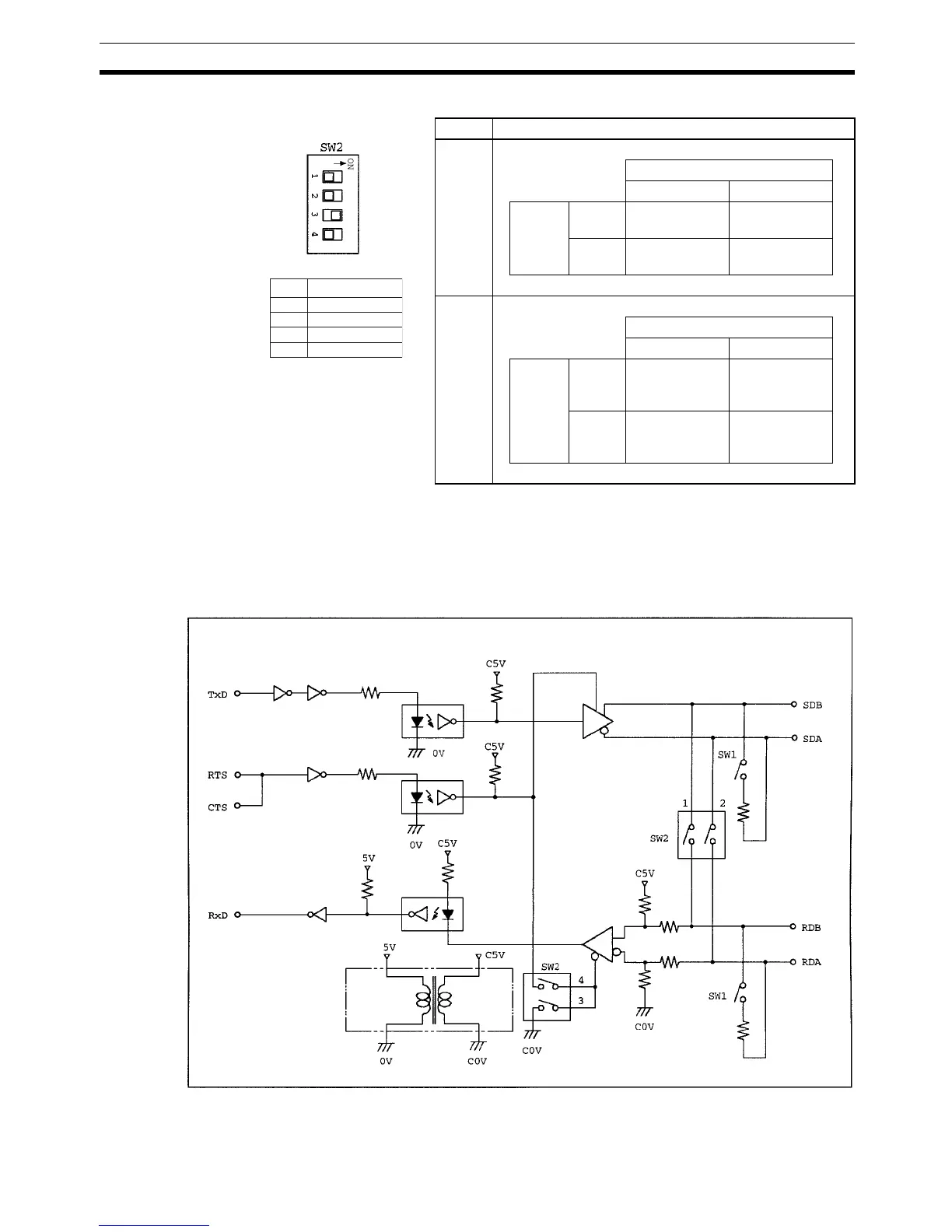
Note Do not set both SW2-3 and SW2-4 to ON. Doing so may result in damage to
internal circuitry. Set SW2-3 to OFF and SW2-4 to OFF when performing RS-
485 2-wire communications.
5. Connector
Connects to the communications port on the CPU Unit.
SW2 Status
SW2-1
SW2-2
SW2-1
OFF ON
SW2-2 OFF 4-wire commu-
nications
Setting not
possible
ON Setting not
possible
2-wire commu-
nications
SW2-3
SW2-4
SW2-3
OFF ON
SW2-4 OFF Setting not
possible
Data can be
received at any
time
ON RS control
possible for
CPU Unit
Setting not
possible
Factory setting
OFF
OFF
ON
OFF
SW2
1
2
3
4
RS-422 Interface Block Diagram

Table of Contents

Related product manuals