⚫
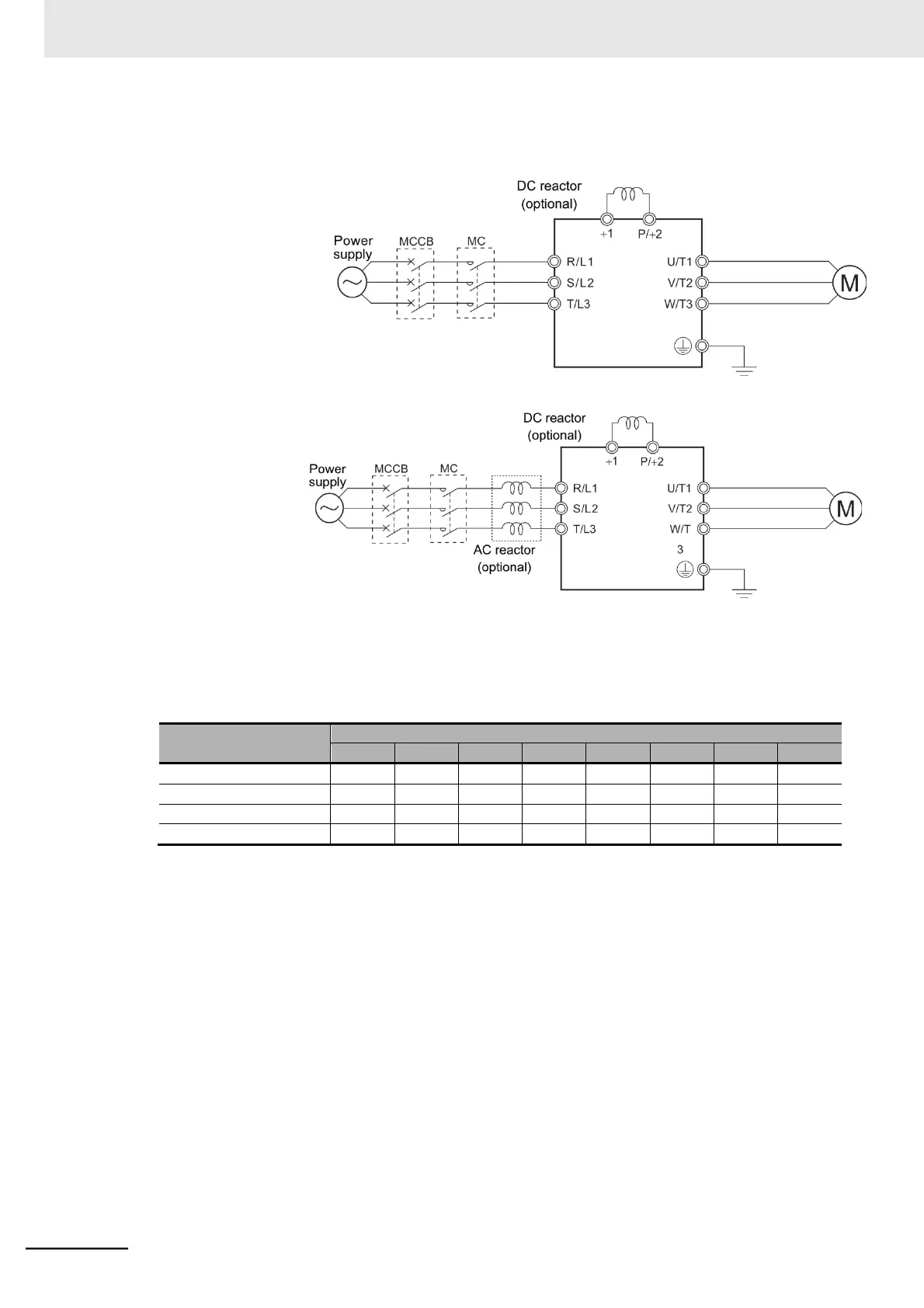
Wiring method
With DC reactor
3-phase 200 VAC
Single-phase 200 VAC
*1
3-phase 400 VAC
*1. Connect to the terminals L1 and N on the single-phase 200-VAC inverter.
With DC reactor
and AC reactor
3-phase 200 VAC
Single-phase 200 VAC
*1
3-phase 400 VAC
*1. Connect to the terminals L1 and N on the single-phase 200-VAC inverter.
⚫
Effect of reactors
Through the use of the DC/AC reactor, the rate of harmonic current occurrences can be reduced as
shown in the table of typical examples below.
⚫
Guideline for reactor selection
When implementing measures against harmonics, first install a DC reactor and evaluate its effect.
Then, if further reduction is required, add an AC reactor.
To implement harmonic countermeasures in consideration of the power supply environment (such
as rapid change in the power supply voltage), first install an AC reactor and evaluate its effect. Then,
if further reduction is required, add a DC reactor.
If you have multiple inverters and use the AC reactor, use one AC reactor for each inverter. Using
only one AC reactor for more than one inverter does not provide sufficient reduction.