⚫
EMC Directive
The OMRON products are the electrical devices incorporated and used in various machines or man-
ufacturing equipment. For this reason, OMRON makes efforts to manufacture products that meet
the related EMC standards so that the machines or equipment in which they are incorporated can
easily comply with the EMC standards.
The 3G3MX2-EV2 Series Inverter designed and tested to comply with the above EMC standards
when installed and wired to equipment appropriately. However, your machines and equipment vary
in type, and in addition, EMC performance depends on the configuration, wiring, or device location
in the control panel even when all of the devices are EMC compliant products. For this reason, the
final assessment of the EMC compliance should be verified under your usage conditions.
Please perform the final verification on the EMC compliance of your machines or the entire system
at your own responsibility.
⚫
EMC noise filters
OMRON is currently preparing a line up of EMC noise filters.
⚫
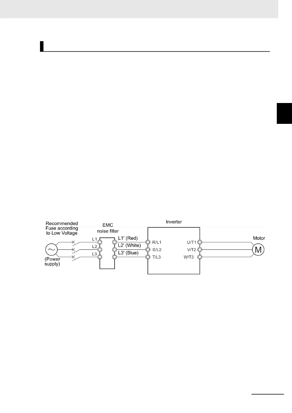
Wiring for power supply
Keep the ground cable as short as possible.
Place the inverter and the noise filter on the same earth (ground) plate.
Always connect the power supply input terminals (R/L1, S/L2, T/L3) of the inverter to the power sup-
ply via an EMC noise filter.
Keep the cable between the inverter and the EMC noise filter as short as possible (40 cm maxi-
mum).
⚫
Wiring between inverter and motor
For cables between the inverter and motor, be sure to use shield braided cables.
Keep the cables as short as possible.