EasyManua.ls Logo

Phoenix Contact RAD-900-DAIO6

Phoenix Contact RAD-900-DAIO6
140 pages
To Next Page IconTo Next Page
To Next Page IconTo Next Page
To Previous Page IconTo Previous Page
To Previous Page IconTo Previous Page
Loading...
Short description
3827_en_B PHOENIX CONTACT 13/138
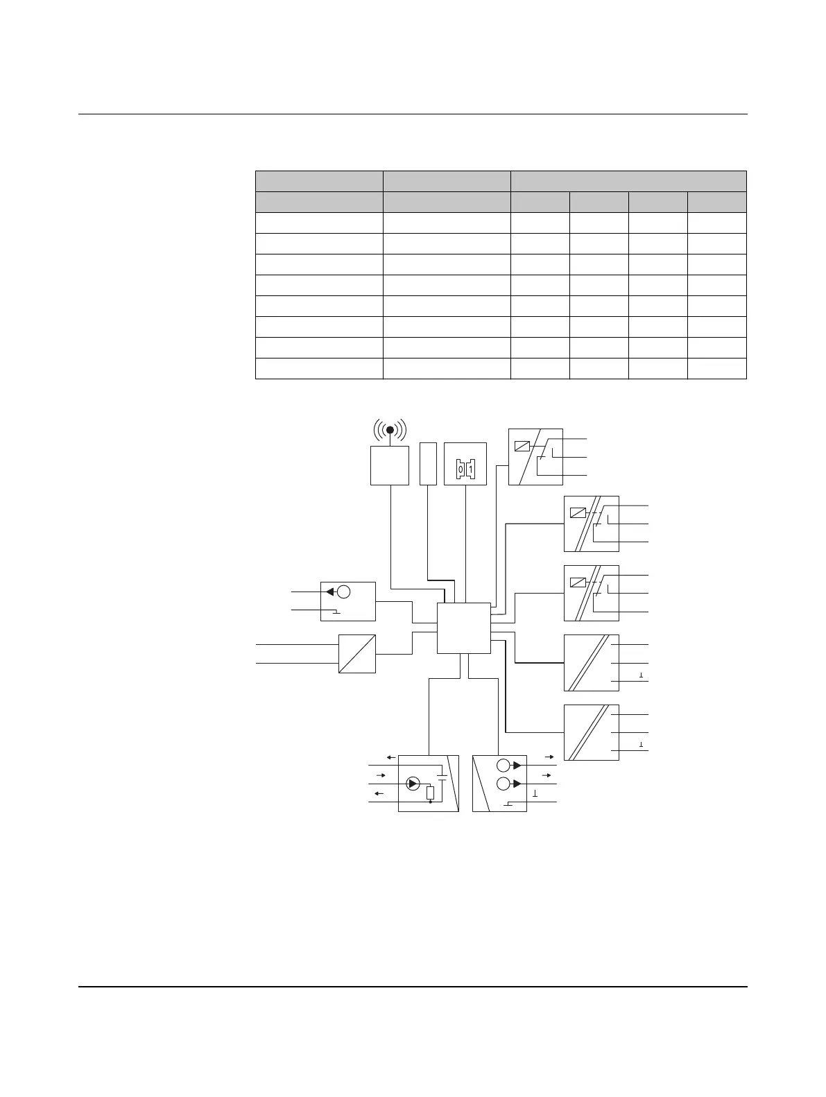
Circuit diagram
Figure 2-4 RAD-900-DAIO6 circuit diagram
Table 2-3 DIP switches of the RAD-DAIO6-IFS
DIP switch
Setting Output signal 1 2 3 4
Analog IN 0 ... 20 mA OFF
Analog IN 4 ... 20 mA ON
Analog OUT RESET OFF
Analog OUT HOLD ON
Digital OUT1 RESET OFF
Digital OUT1 HOLD ON
Digital OUT2 RESET OFF
Digital OUT2 HOLD ON
µC
RF
S-Port
RAD-ID
RF LINK
RSSI +
RSSI -
V
LOOP
I
+I
1
PWR
1
-I
1
+24VDC/120VAC
0V/N
COM
1
NO
1
NC
COM
NO
NC
1
COM
2
NO
2
NC
2
DI
2L
DI
2H
DI
2
DI
1L
DI
1H
DI
1
U
I
U
1
1
I
1
U

Table of Contents

Related product manuals