EasyManua.ls Logo

Prodys ProntoNet LC - VI.9 ProntoNetLC operating as an ISDN codec

Prodys ProntoNet LC
157 pages
Print Icon
To Next Page IconTo Next Page
To Next Page IconTo Next Page
To Previous Page IconTo Previous Page
To Previous Page IconTo Previous Page
Loading...
ProntoNetLC User Manual
128
VI.9 ProntoNetLC operating as an ISDN codec
The ProntoNetLC as ISDN codec is very similar to the Pronto 3, therefore those
users that are familiar with the Pronto 3 will find it easy to operate the
ProntoNetLC over ISDN.
The most important points that a user must have in mind for this mode are as
follows:
1. ISDN interface: The ISDN interface of the ProntoNetLC allows
connection to a basic rate ISDN line. This interface allows the user two
bi-directional channels with a bandwidth of 64 Kbps in each direction.
There is an additional channel of 16 Kbps that is used for signalling.
This is why a basic rate connection is sometimes represented as 2B+D.
The ProntoNetLC identifies each B channel as Line 1 and Line 2
respectively.
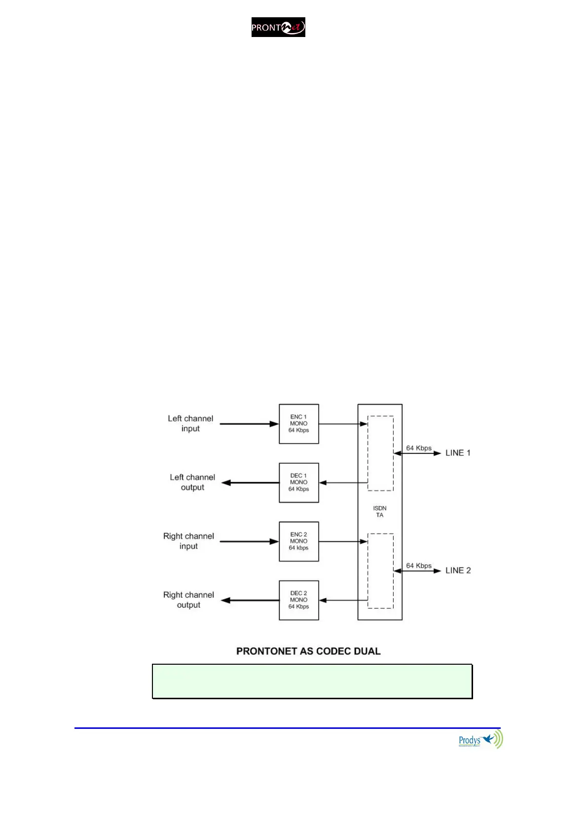
2. Dual Codec: The ProntoNetLC can operate as “DUAL CODEC”, which
means it can establish two totally independent communications via
each B channel at 64 Kbps. This is only possible when each B channel
or communication line uses a MONO mode compression algorithm in
this situation the ProntoNetLC will be able to use two Encoders and
two Decoders independently. This limitation is imposed by the fact that
there is only one stereo audio input and one stereo audio output.
The left audio I/O channel is always assigned to Line 1 and the
right audio I/O channel is always assigned to Line 2.

Table of Contents

Related product manuals