EasyManua.ls Logo

Prodys ProntoNet LC - VI.9.1 Establishing ISDN Calls

Prodys ProntoNet LC
157 pages
Print Icon
To Next Page IconTo Next Page
To Next Page IconTo Next Page
To Previous Page IconTo Previous Page
To Previous Page IconTo Previous Page
Loading...
ProntoNetLC User Manual
131
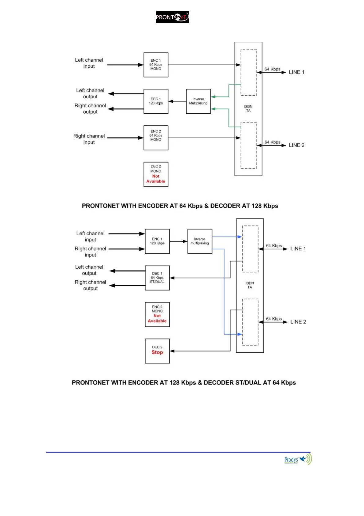
VI.9.1 Establishing ISDN calls
To make a call the CALL 1 and CALL 2 keys are used, or an entry from the
Address Book is selected using the BOOK key. Bear in mind that the use of an
entry in the Address Book will also reconfigure the Encoder and so is not limited

Table of Contents

Related product manuals