EasyManua.ls Logo

Prodys ProntoNet LC - Page 130

Prodys ProntoNet LC
157 pages
Print Icon
To Next Page IconTo Next Page
To Next Page IconTo Next Page
To Previous Page IconTo Previous Page
To Previous Page IconTo Previous Page
Loading...
ProntoNetLC User Manual
130
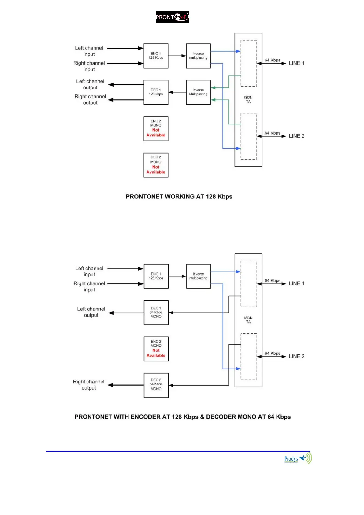
5. Communications combining 128 and 64 Kbps: It is possible to
transmit encoding audio at 128 Kbps and to receive decoding audio at
64 Kbps or vice versa. Here below there are different examples of it.

Table of Contents

Related product manuals