EasyManua.ls Logo

Renesas RL78/F13

Renesas RL78/F13
1879 pages
To Next Page IconTo Next Page
To Next Page IconTo Next Page
To Previous Page IconTo Previous Page
To Previous Page IconTo Previous Page
Loading...
RL78/F13, F14 CHAPTER 4 PORT FUNCTIONS
R01UH0368EJ0210 Rev.2.10 252
Dec 10, 2015
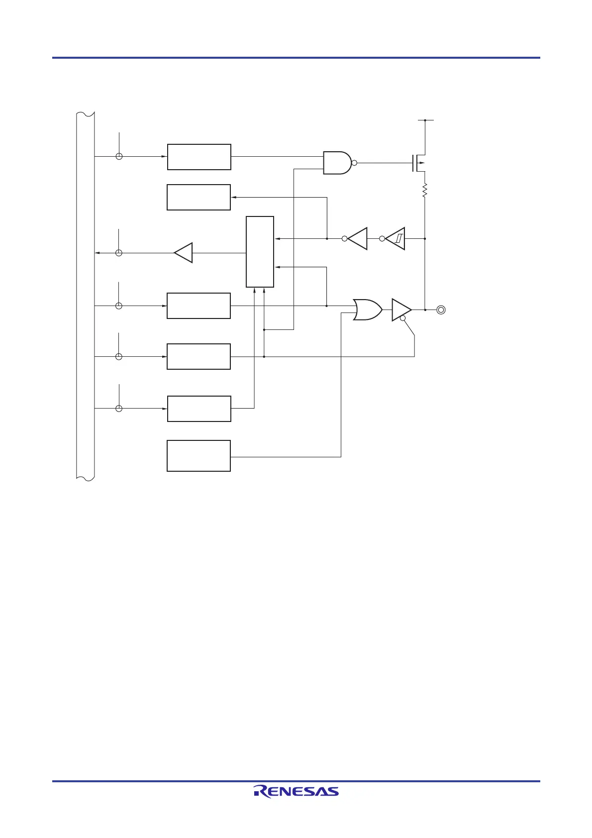
Figure 4-37. Block Diagram of P64
P64/(TI14)/(TO14)
/
(SNZOUT3)
RD
WR
PORT
WR
PM
P64
(TO14)/
(SNZOUT3)
PM6
P6
WR
PU
EV
DD
P-ch
PU6
PM64
PU64
WR
PMS
PMS
PMS0
Internal bus
Output latch
Alternate function
Alternate function
Selector
P6: Port register 6
PU6: Pull-up resistor option register 6
PM6: Port mode register 6
PMS: Port mode select register
RD: Read signal
WRxx: Write signal

Table of Contents

Related product manuals