EasyManua.ls Logo

Renesas RL78/F13 - Page 296

Renesas RL78/F13
1879 pages
Print Icon
To Next Page IconTo Next Page
To Next Page IconTo Next Page
To Previous Page IconTo Previous Page
To Previous Page IconTo Previous Page
Loading...
RL78/F13, F14 CHAPTER 4 PORT FUNCTIONS
R01UH0368EJ0210 Rev.2.10 264
Dec 10, 2015
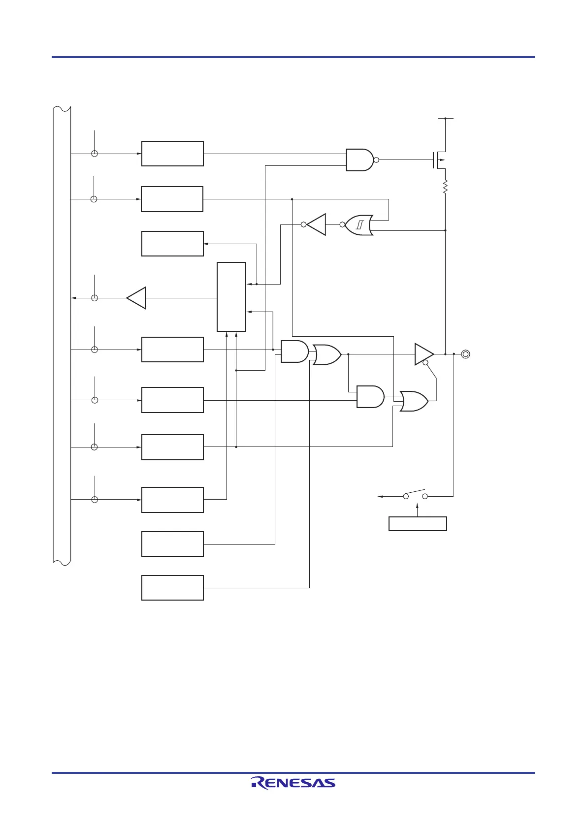
Figure 4-43. Block Diagram of P72
P72/ANI28/KR2
/
(CTXD0)/SO11/
SNZOUT6
WR
PU
RD
WR
PORT
PU72
(KR2)
P72
EV
DD
P-ch
PU7
P7
WR
PM
PM7
POM72
POM7
WR
POM
PM72
WR
PMC
PMC7
PMC72
WR
PMS
PMS
PMS0
SNZOUT6
SO11/(CTXD0)
Internal bus
Output latch
Alternate function
Alternate function
Alternate function
Selector
A/D converter
ADS
ADS4 to ADS0
P7: Port register 7
PU7: Pull-up resistor option register 7
PM7: Port mode register 7
POM7: Port output mode register 7
PMC7: Port mode control register 7
PMS: Port mode select register
ADS: Analog input channel specification register
RD: Read signal
WRxx: Write signal

Table of Contents

Related product manuals