EasyManua.ls Logo

Renesas RL78/F13 - Page 297

Renesas RL78/F13
1879 pages
Print Icon
To Next Page IconTo Next Page
To Next Page IconTo Next Page
To Previous Page IconTo Previous Page
To Previous Page IconTo Previous Page
Loading...
RL78/F13, F14 CHAPTER 4 PORT FUNCTIONS
R01UH0368EJ0210 Rev.2.10 265
Dec 10, 2015
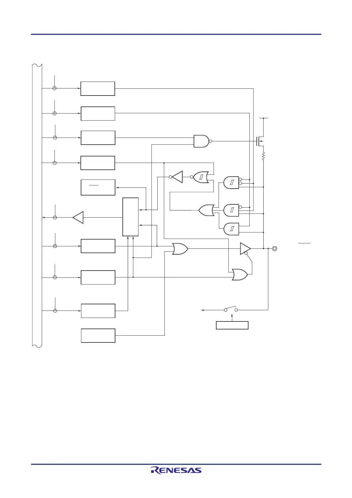
Figure 4-44. Block Diagram of P73
P73/KR3/SSI11/
SNZOUT7/(CRXD0)
/
ANI29
WR
PU
RD
WR
PORT
PU73
SSI11/KR3/
(CRXD0)
P73
EV
DD
P-ch
PU7
P7
WR
PM
PM7
PM73
PIM7
PIM73
WR
PIM
WR
PMC
PMC7
PMC73
WR
PMS
PMS
PMS0
SNZOUT7
CMOS
(Schmitt3)
TTL
CMOS
(Schmitt1)
PITHL7
PITHL73
WR
PITHL
Internal bus
Output latch
Alternate function
Alternate function
Selector
A/D converter
ADS
ADS4 to ADS0
P7: Port register 7
PU7: Pull-up resistor option register 7
PM7: Port mode register 7
PIM7: Port input mode register 7
PMC7: Port mode control register 7
PMS: Port mode select register
PITHL7: Port input threshold control register 7
ADS: Analog input channel specification register
RD: Read signal
WRxx: Write signal

Table of Contents

Related product manuals