EasyManua.ls Logo

Renesas RL78/F13 - Page 298

Renesas RL78/F13
1879 pages
Print Icon
To Next Page IconTo Next Page
To Next Page IconTo Next Page
To Previous Page IconTo Previous Page
To Previous Page IconTo Previous Page
Loading...
RL78/F13, F14 CHAPTER 4 PORT FUNCTIONS
R01UH0368EJ0210 Rev.2.10 266
Dec 10, 2015
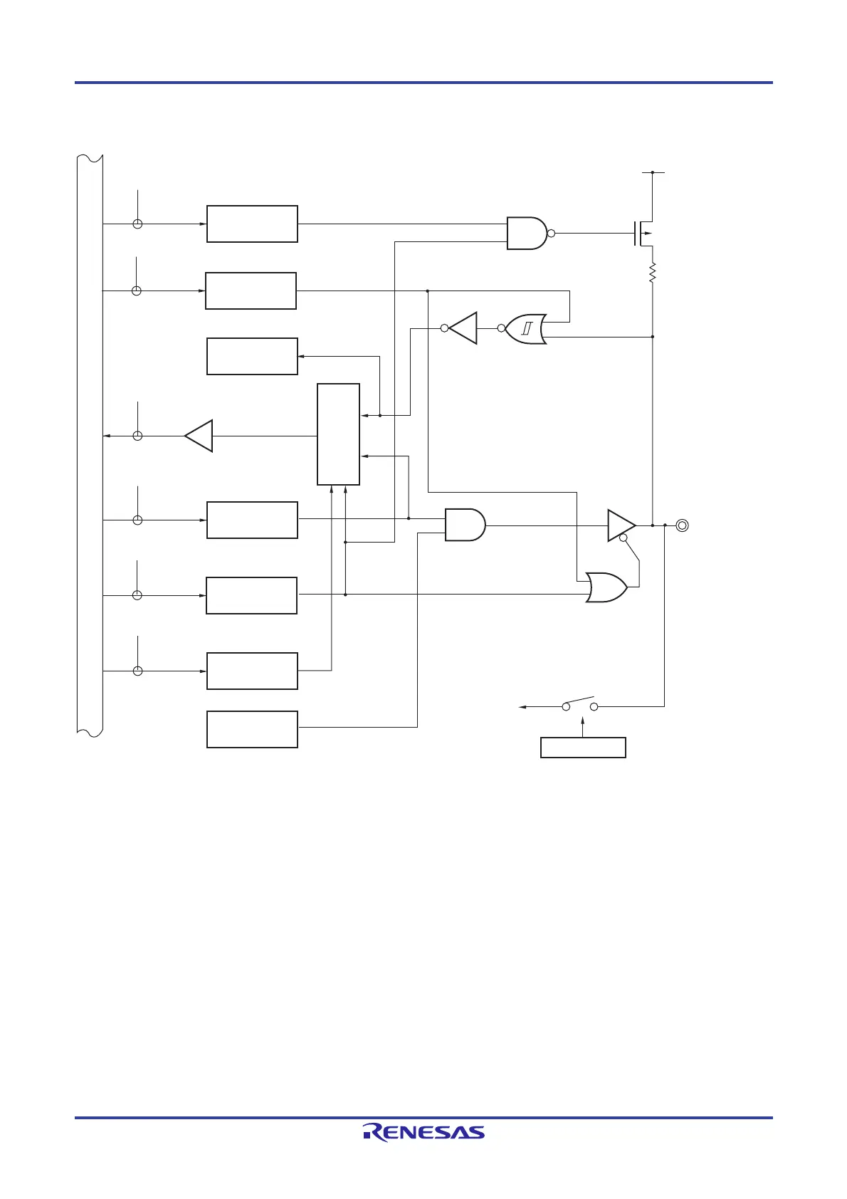
Figure 4-45. Block Diagram of P74
P74/KR4/
(SO10)/(TXD1)
/
ANI30
WR
PU
RD
WR
PORT
PU74
(KR4)
P74
EV
DD
P-ch
PU7
P7
WR
PM
PM7
PM74
WR
PMC
PMC7
PMC74
WR
PMS
PMS
PMS0
(SO10)/(TXD1)
Internal bus
Output latch
Alternate function
Alternate function
Selector
A/D converter
ADS
ADS4 to ADS0
P7: Port register 7
PU7: Pull-up resistor option register 7
PM7: Port mode register 7
PMC7: Port mode control register 7
PMS: Port mode select register
ADS: Analog input channel specification register
RD: Read signal
WRxx: Write signal

Table of Contents

Related product manuals