EasyManua.ls Logo

Roland VersaEXPRESS RF-640 - Page 13

Roland VersaEXPRESS RF-640
132 pages
Print Icon
To Next Page IconTo Next Page
To Next Page IconTo Next Page
To Previous Page IconTo Previous Page
To Previous Page IconTo Previous Page
Loading...
1
Machine
Highlights
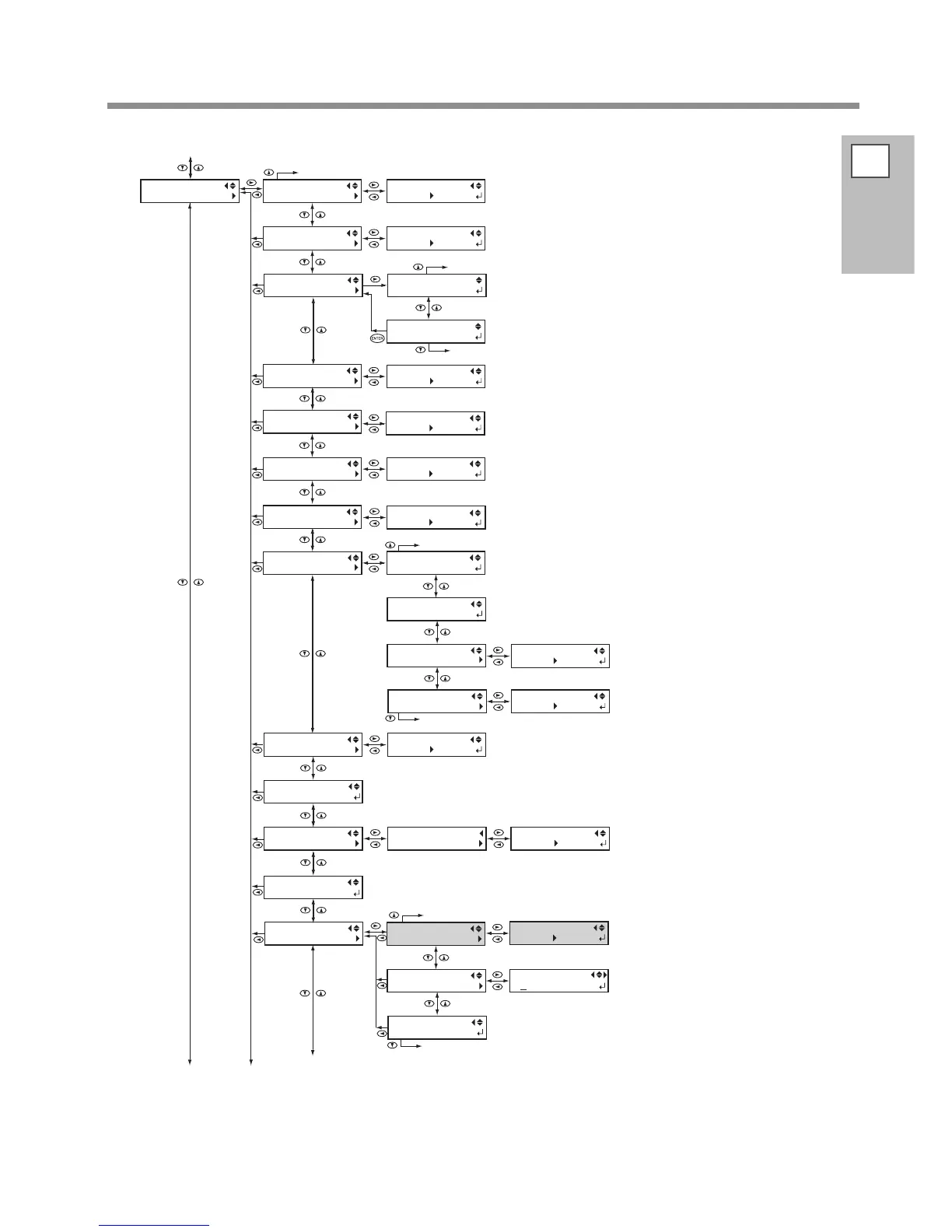
Menu List
11
Continued ContinuedContinued
MENU
SUB MENU
Continued
SUB MENU
SHEET TYPE
SUB MENU
FULL WIDTH S
To [TEST PRINT POS]
To [CANCEL]
VACUUM POWER
AUTO 20%
PEROPDIC CL.
NONE
SUB MENU
SIDE MARGIN
FULL WIDTH S
FULL OFF
SUB MENU
PEROPDIC CL.
EMPTY MODE
STOP CONT.
SIDE MARGIN
10mm 10mm
SUB MENU
SCAN INTERVAL
SUB MENU
VACUUM POWER
To [SUPER CL.] (RF-640)
To [EMPTY MODE] (RF-640A)
(*1)
To [
LIGHT CHOKE CL.
]
SCAN INTERVAL
OFF 1.0 sec
SUB MENU
MEDIA RELEASE
MEDIA RELEASE
DISABLE ENABLE
SUB MENU
SLEEP
SUB MENU
SYSTEM REPORT
SLEEP
INTERVAL
SUB MENU
FACTORY DEFAULT
INTERVAL
15 min
15 min
SUB MENU
INK CONTROL
INK CONTROL
EMPTY MODE
INK CONTROL
SUPER CL.
INK CONTROL
LIGHT CHOKE CL.
SHEET TYPE
OPAQUE OPAQUE
SHEET WIDTH
1625mm 1625mm
SHEET POS.
SAVE
SHEET POS.
CANCEL
SUB MENU
SHEET WIDTH
SUB MENU
SHEET POS.
To [SAVE]
INK CONTROL
PAGE
INK CONTROL
INTERVAL (JOB)
INK CONTROL
INTERVAL (TIME)
INTERVAL (JOB)
10 min 990 min
INTERVAL (TIME)
10 min 990 min
SUPER CL.
M Y C K
To [
INTERVAL (TIME)
]
To [NONE]
(*1) This menu is not displayed in the RF-640.

Table of Contents

Other manuals for Roland VersaEXPRESS RF-640

Related product manuals