EasyManua.ls Logo

Roland VersaEXPRESS RF-640 - Important Notes on Handling and Use

Roland VersaEXPRESS RF-640
132 pages
Print Icon
To Next Page IconTo Next Page
To Next Page IconTo Next Page
To Previous Page IconTo Previous Page
To Previous Page IconTo Previous Page
Loading...
1
Machine
Highlights
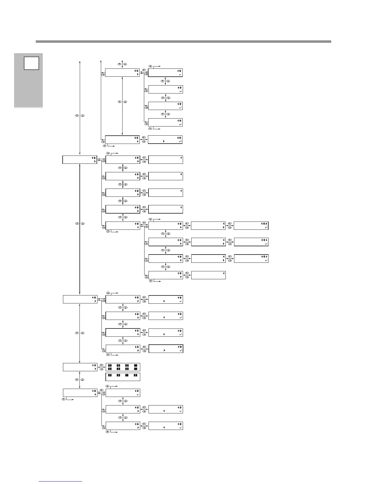
Menu List
12
Continued Continued Continued
MENU
SYSTEM INFO.
MAINTENANCE
REPLACE WIPER
SUB MENU
MAINTENANCE
MAINTENANCE
REPLACE KNIFE
MAINTENANCE
DRAIN BOTTLE
To [REPLACE WIPER]
To [DRAIN BOTTLE]
MAINTENANCE
REPLACE FELT
SYSTEM INFO.
MODEL
SYSTEM INFO.
INK
SYSTEM INFO.
FIRMWARE
MODEL
RF-XXX
SYSTEM INFO.
SERIAL NO.
SERIAL NO.
ZS00001
INK
E-SOL MAX2 xxxxx
FIRMWARE
Ver. x. xx
To [MODEL]
SYSTEM INFO.
NETWORK
SUBNET MASK
255 . 255 . 255 . 255
SUBNET MASK
255 . 255 . 255 . 255
NETWORK
SUBNET MASK
GATEWAY ADDR.
255 . 255 . 255 . 255
GATEWAY ADDR.
255 . 255 . 255 . 255
NETWORK
GATEWAY ADDR.
MAC ADDRESS
000086148C5F
NETWORK
MAC ADDRESS
IP ADDRESS
255 . 255 . 255 . 255
IP ADDRESS
255 . 255 . 255 . 255
To [MAC ADDRESS]
To [IP ADDRESS]
NETWORK
IP ADDRESS
To [NETWORK]
HEATER MENU
FEED FOR DRY
HEATER MENU
OPTION DRYER
MENU
HEATER MENU
HEATER MENU
PREHEATING
To [DRYING TIME]
FEED FOR DRY
DISABLE
ENABLE
PREHEATING
30
°C
MENU
HEATER MENU
DRYING TIME
To [FEED FOR DRY]
OPTION DRYER
ENABLE
DISABLE
DRYING TIME
10 min
10 min
MENU
INK REMAINING
SHEET REMAIN
SET LENGTH
MENU
SHEET REMAIN
SHEET REMAIN
PRINT MEMO
SET LENGTH
25.0 m
25.0 m
RF-640A
To [AUTO DISPLAY]
To [PRINT MEMO]
SHEET REMAIN
AUTO DISPLAY
AUTO DISPLAY
DISABLE
DISABLE
1 2 3 4
5 6 7 8
SUB MENU
TEST PRINT POS
To [SHEET TYPE]
TEST PRINT POS
SCAN
FEED
1 2 3 4
To [MEDIA SETTING]
RF-640

Table of Contents

Other manuals for Roland VersaEXPRESS RF-640

Related product manuals