EasyManua.ls Logo

schmersal PSC1 - Page 84

schmersal PSC1
201 pages
Print Icon
To Next Page IconTo Next Page
To Next Page IconTo Next Page
To Previous Page IconTo Previous Page
To Previous Page IconTo Previous Page
Loading...
Installation manual
HB-37420-810-01-25F-EN PSC1-C-100 Installation manual - V2.2.docx Page 84 of 201
Version: 25F
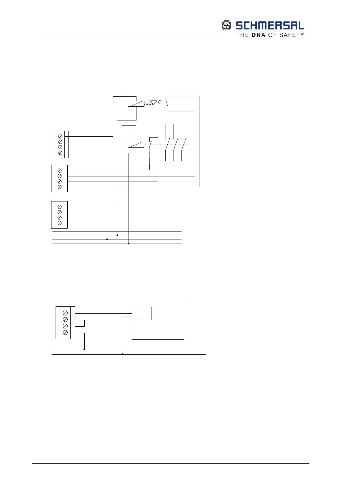
4.3.4.1.5 Dual-channel output with relay output and semiconductor output – external control
circuit with monitoring
For safety applications from PL d and higher according to EN ISO 13849-1. The external circuit
is operated using two channels via one relay output and one semiconductor output. Each of the
two external shutdown paths is monitored. An adequately high test rate as well as MTTF
d
= high
for the external circuit are required for PL e according to EN ISO 13849-1.
Q0_P
X21
X12
Q1_N
Q2_P
Q3_N
Q4.1
Q4.2
Q5.1
Q5.2
X22
I12
I13
T0
T1
P
N
L +
L -
4.3.4.1.6 Dual-channel output with relay output - external control circuit in PL e
For safety applications from PL d and higher according to EN ISO 13849-1. The external circuit
is operated using two channels via the relay outputs. An adequately high test rate as well as PL
e for the external circuit are required for PL e according to EN ISO 13849-1.
L +
L -
Q4.1
X22
Q4.2
Q5.1
Q5.2
STO
Pl e
Dual-channel output with relay output - external control circuit in PL e

Table of Contents

Related product manuals