EasyManua.ls Logo

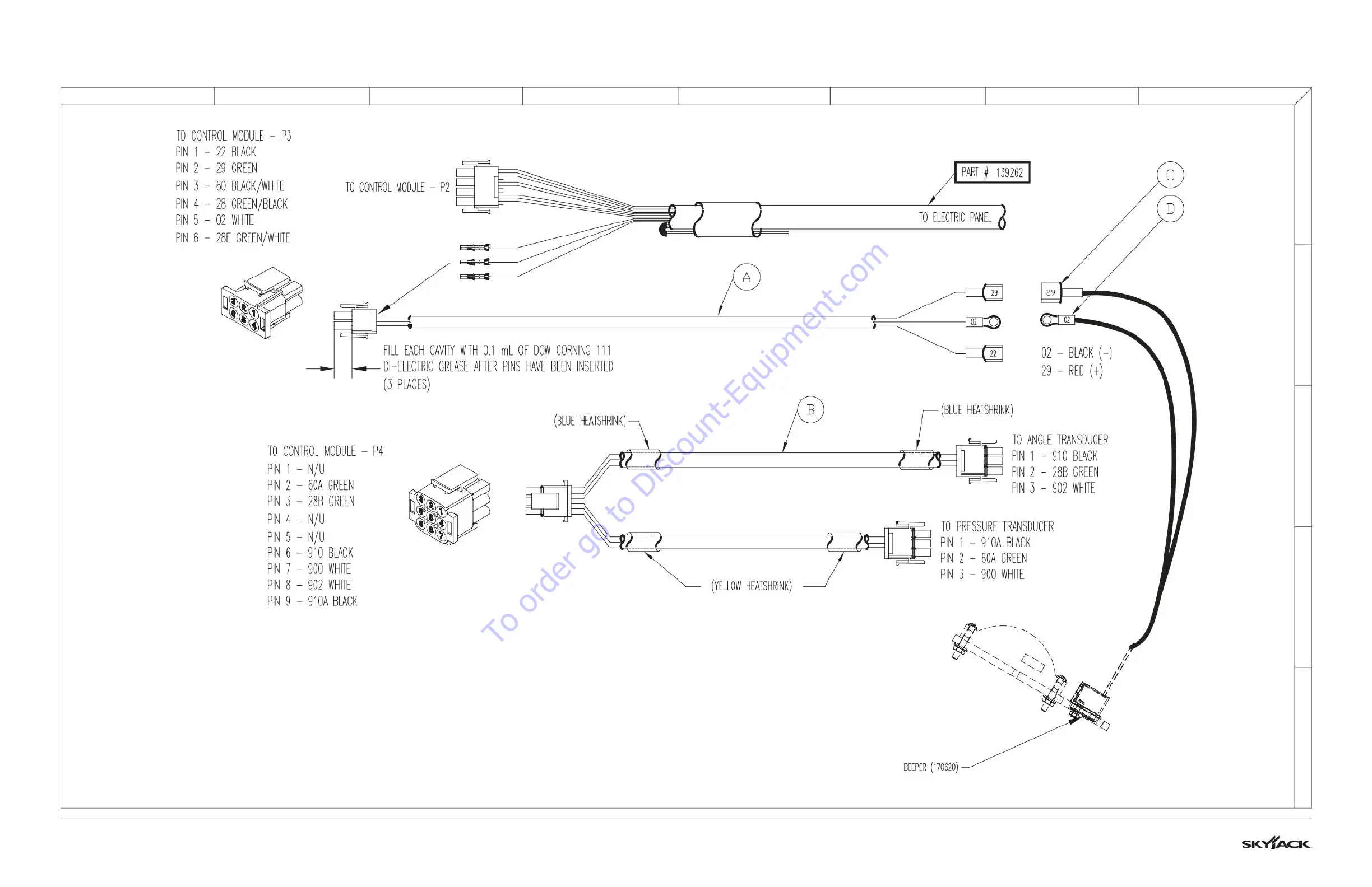
Skyjack SJ6826RT - Beeper Wiring Assembly

Skyjack SJ6826RT
177 pages
Print Icon
To Next Page IconTo Next Page
To Next Page IconTo Next Page
To Previous Page IconTo Previous Page
To Previous Page IconTo Previous Page
Loading...

Table of Contents

Related product manuals