EasyManua.ls Logo

Skyjack SJ6826RT - 3.24 Hydraulic Schematic - ANSI;CSA

Skyjack SJ6826RT
177 pages
Print Icon
To Next Page IconTo Next Page
To Next Page IconTo Next Page
To Previous Page IconTo Previous Page
To Previous Page IconTo Previous Page
Loading...
71
SJ6826RT, SJ6832RT
213560ABA
V
W
Y
Z
L
M N
O
F
G
H
K
X
I
J
EDCBA
U
T
S
R
M220059AA
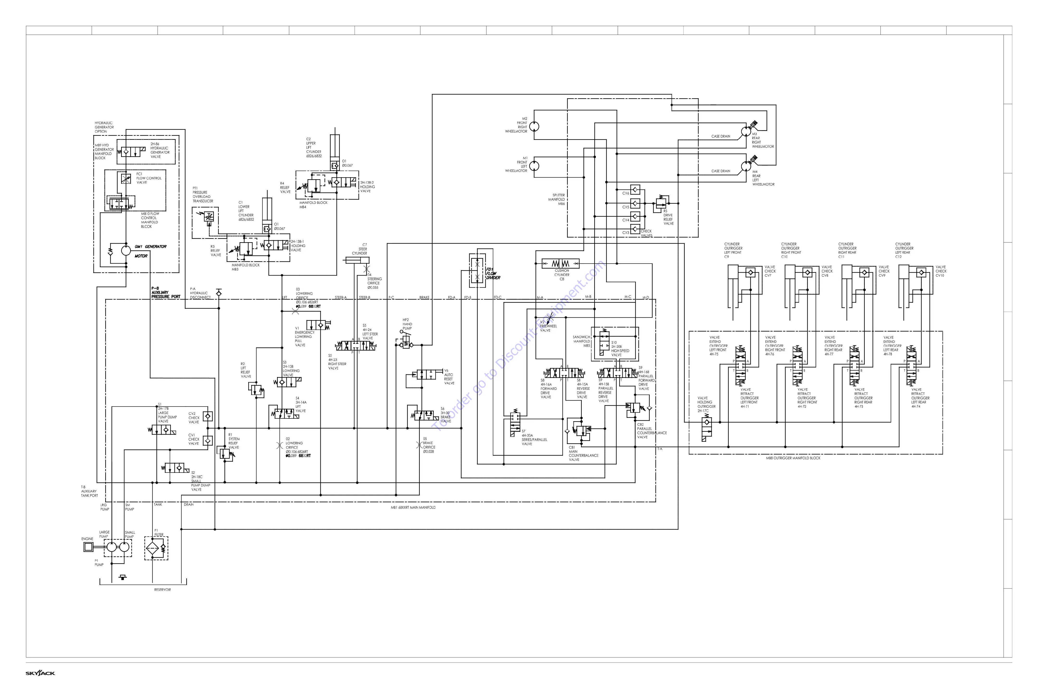
3.24 Hydraulic Schematic - ANSI/CSA
3.24 Hydraulic Schematic - ANSI/CSA
To order go to Discount-Equipment.com

Table of Contents

Related product manuals