EasyManua.ls Logo

Tadano GR-700N - Page 182

Tadano GR-700N
200 pages
Print Icon
To Next Page IconTo Next Page
To Next Page IconTo Next Page
To Previous Page IconTo Previous Page
To Previous Page IconTo Previous Page
Loading...
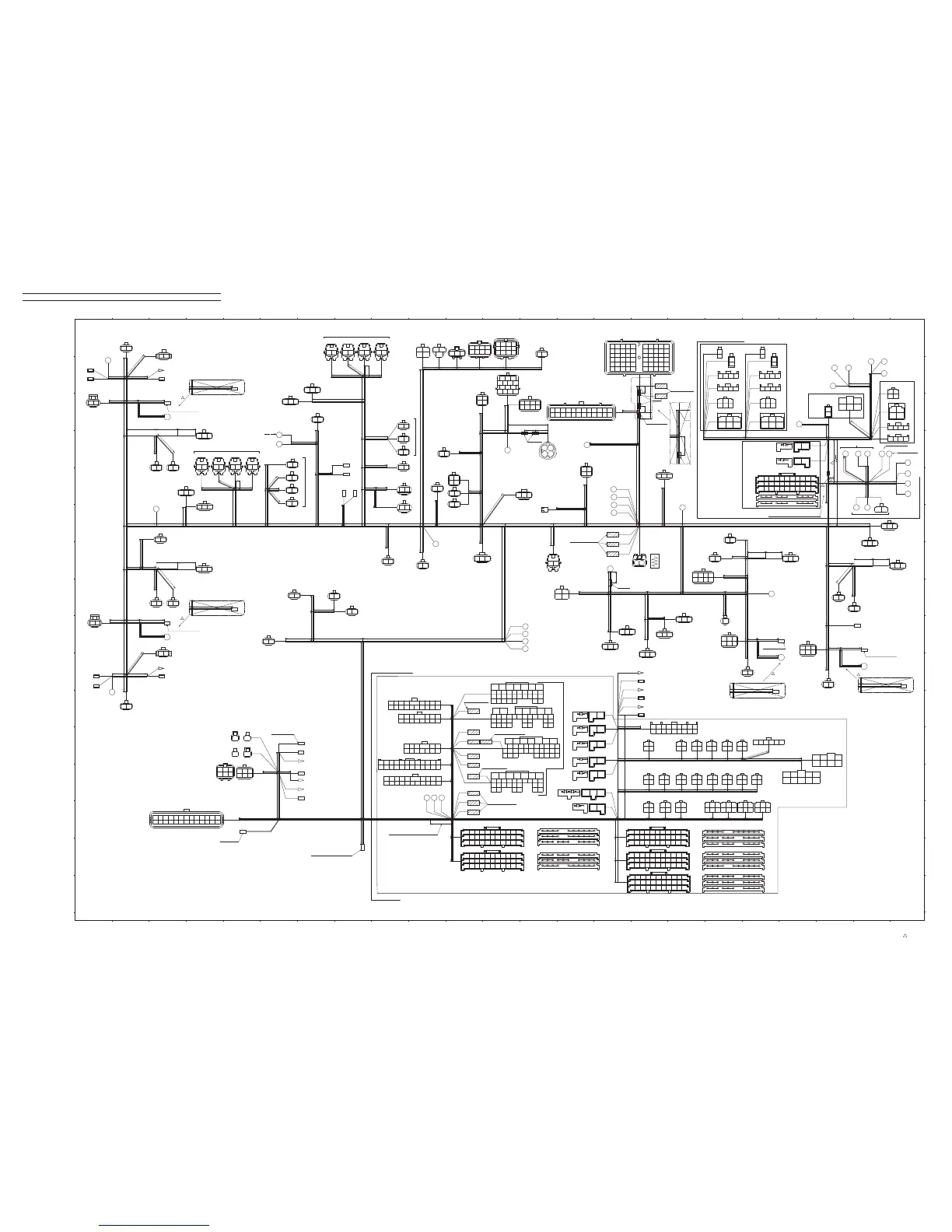
Harness (Lower)
IWZ04-502201E
10349-315-90100
WZ04-5021E
1.2 Harness (main and engine)
Z-13 Z-13 Z-13
78 78
1
A
B
C
D
E
F
G
H
I
J
K
L
M
N
O
P
A
B
C
D
E
F
G
H
I
J
K
L
M
N
O
P
2 3 4 5 6 7 8 9 10 11 12 13 14 15 16 17 18 19 20 21 22 23
1 2 3 4 5 6 7 8 9 10 11 12 13 14 15 16 17 18 19 20 21 22 23
B
S16-045
W
S16-046
CN1003
COTØ07
50
R/Y
138AB
R
123AU
CN458
35
35
50
B
B08BP
R/B
1371AA
P/B
1370AA
L
1372AA
RA98
COTØ07
360
50
B
B20UA
R/B
1371AA
Water pump
(W/P)
CN1606
270
COTØ10
600
560
50
150
COTØ10
50
150
COTØ07
COTØ07
B
S48-148
W
S48-147
R/W
602AA
B
B01AE
CN790
100
50
50
COTØ07
R
123AH
B
B20RC
LG
537AA
CN407
R
123AC
B
B20RB
G/O
536AA
CN406
N216
250
B
B05AA
CN1059
L
1372AA
P/B
1370AA
B
B08BP
JC05-3
JC05-2
JC05-1
JC02-3
JC02-2
JC02-1
JC03
G/Y
1018AA
G/Y
1018AB
G/Y
1018AC
B/G
086AC
B/G
086AB
B/G
086AA
Y/R
1312AC
Y/R
1312AA
Y/R
1312AB
B
B08BM
B
B08BL
B
B08BJ
B
B08BK
B/L
060AF
B/L
060AE
B/L
060AA
G
094AC
G
094AB
G
094AA
B
B08AF
B
B08AE
B
B08AN
B
B08AM
B
B08AD
B
B08AB
B
B08AX
B
B08AI
B
B08BA
B
B08AC
JC03-2
JC03-3
JC03-1
R
145AC
CN1630B
R/L
124AF
CN1630A
50
50
50
R/B
1016AA
R/Y
077AA
Y/R
1312AC
FUSE BOX(U)
CN1693
R/Y
092AE
GR
079AA
G
1302AA
Y/W
126AA
FUSE BOX(U)
CN1692
W
A02AN
R
100AD
W
A02AC
W
A02AG
FUSE BOX(U)
CN1691
W
A02AM
R
100AH
W
A02AE
W
A02AB
FUSE BOX(U)
CN1690
50
50
50
50
50
50
W
105AD
Y
002AA
R/W
556AA
R/B
141AA
W/R
098AA
CN772
O
006AA
L/W
017AA
R/L
124AF
R/W
602AA
CN771
Y
600AA
R
123AW
FUSE BOX(R)
CN770
R
100AK
R
100AL
W
A02AO
W
A02AP
W
A02AD
CN769
R
100AI
R
100AF
W
A02AQ
R
100AJ
CN768
R
100AC
W
A02AH
CN767
50
50
50
50
50
50
G/O
091AA
R/G
084AA
G/R
090AA
L
1300AA
CN1685
G/W
093AB
G
094AC
P
087AA
Y/L
096AA
CN1684
R
095AB
Y
055AB
CN1683
W
A04AF
W
A04AH
W
A04AK
W
A04AJ
W
A04AI
CN1682
W
A04AM
W
A04AL
W
A04AG
W
A04AE
CN1681
W
A04AD
W
A04AC
CN1680
B
B40AT
L/R
1035AA
CN752
G/B
627AA
G/Y
010AA
L/B
013AC
G/R
629AA
Y/R
008AA
L/R
009AC
Y/B
012AA
CN784
B
B08BR
E008
B
B45AZ
E046
B
B40AZ
E041
B
B08BD
E006
N079
N058
N059
200
50
50
COTØ07
100
COTØ07
COTØ07
150
100
50
320 230
300 160
COTØ07
1250
COTØ07
50
350
100
200
50
35
B
B08AG
G/Y
240AD
Y/B
236AB
R/B
141AG
RA97
G
022AA
G/Y
240AB
CN1298
B
B08AG
G/Y
240AD
100
B
B45AG
E045
N076N077
N075
N072
N073
N071N070N069
N068
N067
N066
N065
N064
N062N061
N063
N060
N078
COTØ19
100
150
1260
360
50
1900
450350
620
150
350
350
150
2601060150 100
750
380
300
1150
200
500
220
100250
1800
420450
420
200
50
50
50
1200
COTØ07
850800
400
220
COTØ28
1160
100
100
100
100
100
100
100
B/G
086AA
R/L
134AB
R/B
121AD
CN1060
Y/G
687AB
G/L
615AC
CN1031
G/W
628AA
W/B
626AA
CN1030
BR/W
1311AA
BR/R
637AC
CN1623
BR/Y
1310AA
BR
638AC
CN1622
Y/G
080AA
G/Y
1018AA
CN1621
50
50
50
B
S48-AA
SHIELD48
SHIELD
B
S49-AA
SHIELD49
SHIELD
50
150
150
150
150
B
S16-AB
E005
B
S23-AA
E003
B
B02AC
E002
B
B01AC
E001
B
S16-AA
SHIELD16
SHIELD
B
S50-AB
SHIELD50B
SHIELD
150
B
B05AC
E004
150
50
300
150
150
150
150
B
B20EA
E021
B
B40AA
E040
50
500
COTØ40
COTØ40
COTØ07
B
B10AD
E010
B
B20DA
E022
COTØ10
COTØ10
COTØ07
COTØ07
COTØ07
100
100
100
COTØ07
COTØ10
B/L
671AB
L/O
054AB
CN1032
W/B
071AA
W/L
1039AA
CN1284
B
B20TA
E023
COTØ07
W/L
1039AC
W/G
115AA
R/G
1038AB
W/R
1036AA
RB20
B
B08AX
Y/W
694AA
L/Y
549AA
L/G
021AC
RB14
BR/R
223AA
B/G
086AB
Y/R
1312AB
Y/R
1312AA
RB10
B
B08AF
BR/Y
246AA
Y/R
245AA
G/Y
240AC
RB3
B
B08AM
G/B
089AA
Y/G
020AJ
Y/L
096AA
RB1
B
B08BK
B
B08BJ
LG/B
059AA
B/L
060AA
RA96
G/Y
1018AC
B
B08BL
G
094AA
B/L
060AE
RA95
B/L
671AD
Y/W
694AA
L/B
1034AA
L/R
1035AA
RA75
B
B08BA
B/Y
670AE
L
237AA
Y/G
687AC
RA27
B
B08CA
B/R
1032AA
G/Y
240AA
LG/B
644AA
RA19
COTØ07
100
50
400
COTØ28
COTØ15
COTØ10
50
COTØ10
730
290
250
COTØ28
1500
11803401530400
50
350250
470
560250
50
50
50
50
50
50
470 170
150
50
50
50
50
B
S07-AA
SHIELD7
SHIELD
JC06
W/L
1039AC
W/L
1039AB
W/L
1039AA
B/L
671AC
B/L
671AB
B/L
671AA
B/L
671AD
L/O
054AC
L/O
054AB
L/O
054AA
JC07
R
040AD
R
040AC
R
040AB
R
040AA
R/Y
031AC
R/Y
031AB
R/Y
031AA
O
034AD
O
034AC
O
034AB
B
1314AA
B
1314AB
B
S52-137
Y/B
624AA
W
S52-051
B
B08CA
B
B08AA
W/R
1313AB
W/R
1313AA
R
S52-136
Y/B
236AC
Y/B
236AB
Y/B
236AA
COTØ13
BR/R
223AA
CN748
COTØ07
R
689AE
R
689AD
R
689AC
R
689AB
CN1514
1380390
COTØ07
150
COTØ07
COTØ32
Y/O
388AA
B
B20KA
CN096SL96
R
S31-077
W
S31-078
B
S31-079
CN419
COTØ28
100
100
200
B
679AA
CN1075
B/Y
670AC
CN1512
B/Y
670AB
CN1511
W
633AB
CN1509
R
632AB
CN1508
COTØ07
COTØ13
COTØ10
COTØ07
COTØ15
100
100
COTØ07
COTØ28
G/B
070AA
R
123AM
CN413
COTØ07
R/Y
595AA
R/G
594AA
CN740
COTØ40
COTØ07
R
123AS
CN1018
B/Y
230AA
CN556
COTØ07
220
COTØ07
COTØ07
COTØ10
COTØ07
BR/W
142AN
B
B20CD
CN714
Y/B
542AB
Y/L
545AB
CN1092
50
300
COTØ07
BR/W
142AU
B
B20RA
CN716
50
300
COTØ07
BR/W
142AT
B
B20TD
CN715
B
1315AA
CN757
COTØ10
B/L
671AC
CN756
R
689AA
CN754
B
1315AA
CN753
G/W
628AA
B
B20PA
L/R
636AB
CN730
COTØ07 COTØ07
BR/W
142AP
B
B20AA
CN713
JC06-1
JC07-3
JC07-1
B/Y
670AA
W/R
681AC
W
S52-051
W/R
681AB
W
S23-049
G/B
627AA
B
S23-050
B/R
656AB
B/R
656AB
W
633AA
R
632AA
B/Y
670CA
Y/R
161AA
R/B
121AA
B/Y
670AD
B/R
656AA
W
633AB
R
632AB
L/R
636AB
R/G
1038AA
L
237AA
R/B
137AA
W
S23-049
B
1314AB
W/R
1313AA
R/Y
092AD
R/Y
092AA
Y/B
624AA
W
S47-128
R/Y
092AD
R/Y
092AA
R/B
121AD
R/B
121AC
R/B
121AB
B/Y
670AA
Y/G
687AA
Y/G
687AB
Y/G
687AC
G/Y
240AA
R/B
137AA
COTØ32
50
COTØ07
300
B
B40AS
W/G
913AB
W/R
914AB
CN420
L/B
593AA
B
B20CC
SL62
CN062
COTØ10
COTØ07
L/R
592AA
B
B20CB
SL61
CN061
COTØ10
COTØ10
COTØ07
L/R
1028AA
L/B
1027AA
L/Y
1022AA
B
617AC
L/W
1029AA
BR/R
1023AA
CN1392
Y/B
107AA
B
B20TB
CN029
100
O
034AC
B
B20DC
R/L
030AA
B
B20DB
SL46, SL47
CN046
W
S32-080
B
S32-081
CN421
R/W
033AC
B
B20DH
SL45
CN045
50
CN793
CN792
L/R
636AA
L/W
1029AA
BR/R
1023AA
L/R
1028AA
L/B
1027AA
L/Y
1022AA
W/R
1036AA
B
617AA
R
S23-135
Y/G
687AA
W/B
910AA
B
617AB
W
203AA
B
B02AB
B
B02AA
B
B01AB
B
B01AA
B
S16-045
W
S16-046
BR
638AA
L/B
1034AA
B/L
671AA
Y
600AD
Y
600AC
BR/R
637AA
B/R
085AA
L/O
054AA
Y
600AB
Y
600AE
B/R
1032AA
LG/B
644AA
B
679AA
CN746
JC04-3
R/G
1038AB
W/L
1039AB
CN412
R/Y
031AA
B
B20DI
SL43
CN043
B
1314AA
R/W
033AB
R/W
033AC
R/W
033AB
R/W
033AA
90
90
90
90
COTØ32
COTØ15
COTØ13
N246
N245
COTØ07
R
145AB
B
B20HL
CN701
B
B20HM
BR/B
146AB
CN700
100
R
145AB
B
B20HA
CN703
COTØ07
100
COTØ10
COTØ19
COTØ10
COTØ19
COTØ19 COTØ13
COTØ07COTØ10COTØ13COTØ13COTØ13
100
100
100
100
100
5050
50
50
50
150
20
20
20
20
20
12575757575
Y/O
388AA
B
S47-129
W
S47-128
LG/B
059AA
R/B
1016AA
G
022AA
L/G
021AD
Y/G
020AE
W/G
019AA
W/Y
618AC
R/B
121AB
G/L
615AA
CN785
L/Y
005AA
W/L
911AA
B
B10AA
CN783
L/W
017AA
O
006AA
Y
002AA
CN781
R/B
121AC
50
50
50
50
50
50
50
50
50
50
50
50
50
50
50
50
100
100
100100
100
100
100
100
COTØ07
COTØ07 COTØ07
COTØ07
COTØ22
COTØ07
COTØ07
COTØ15COTØ15
COTØ07
COTØ07
COTØ07
COTØ07
COTØ07
COTØ19
COTØ28COTØ19COTØ19COTØ19
COTØ07
COTØ10
COTØ10
COTØ15
COTØ40COTØ13
COTØ10
COTØ10
COTØ10
COTØ10
80
N008
100
N043
N042
N041
150
150
N057
N208
N252
N251
B
B20FA
E020
N134
N040
N009
20
20
20
B
S50-AA
SHIELD50A
SHIELD
COTØ10
COTØ07
COTØ07
COTØ07
COTØ07
COTØ07
COTØ07
COTØ07
COTØ07
COTØ07
COTØ07
COTØ07
COTØ07 COTØ07
COTØ07
COTØ07
100
B
B08AU
B
B08AV
B
B20HK
B
B20HJ
B
B08AK
B
B08AZ
100
100380
100
100
100
COTØ10
100
100
B
S32-AA
SHIELD32
SHIELD
B
S47-AA
SHIELD47
SHIELD
B
B20DJ
B
B20DF
B
B20DG
B
B20RD
B
B20TC
B
B20RF
B
B20TE
B
B20RE
B
B20BB
B
B20BA
100
100
100
100
B
B20HG
CN945B
B
B20HD
CN946B
B
B20EC
B
B20AB
O
006AC
R
123AN
B
B20HC
B
B20EJ
R/Y
077AA
B
B20EG
W/R
098AF
W/R
098AA
B
B20EH
R
123AF
R
123AG
R
123AP
B
B20HI
B
B20HB
B
B20EB
R
123AL
B
B20GB
R
123AK
B
B20CJ
R
123AE
B
B20CI
R
123AA
B
B20GA
R
123AJ
B
B20SC
R
123AD
B
B20SA
W/R
098AD
W/R
098AC
B
B40AL
B
B40AN
B
B40AH
B
B40AJ
B
B40AK
B
B40AB
B
B40AE
B
B40AD
B
B40AF
B
B40AC
B
B40AG
B
B40AR
B
B40AP
B
B20CH
B
B20CG
B
B20CF
B
B20CE
B
B20JE
B
B20JD
B
B20JC
B
B20JB
B
B20SD
B
B20SE
B
B20SB
B
B20LE
B
B20LD
B
B20LC
B
B20LB
R/L
124AA
250
200
100100
B/Y
670AD
B
B08BB
B
B08BE
R/L
134AB
CN762
W
A04AA
CN758
B
B08AH
B
B08AH
GR
056AA
LG/R
136AA
B
S49-134
W
S49-133
B
S31-AB
W
S31-078
W
S29-075
W
S28-072
W
S27-069
W
S26-066
B
S31-079
B
S29-076
B
S28-073
B
S27-070
B
S26-067
R
S31-077
R
S29-074
R
S28-071
R
S27-068
R
S26-065
B/G
086AC
R/L
249AA
Y/B
236AA
LG
537AA
G/O
536AA
G/L
535AA
G/Y
534AA
G/R
533AA
G/W
532AA
G/B
531AA
G
530AA
G/B
070AA
B/Y
082AA
Y
078AA
B/L
083AA
Y/G
020AA
L/G
021AB
L/W
569AA
GR
079AA
BR/R
036AA
L
1300AA
G/W
093AA
G/W
093AA
Y/W
126AA
R/G
084AA
G/O
091AA
Y
055AA
P
087AA
GR
056AA
G/R
090AA
G
1302AA
R/Y
138AA
B/R
085AB
W/B
071AA
R
S23-135
W/B
910AA
W/B
626AA
R/L
124AD
B
B08AW
B
B08BN
BR
638AA
BR/R
637AA
Y/B
551AA
LG/R
136AA
R/L
124AE
R/L
124AB
R/L
124AC
B
S26-AA
SHIELD26
SHIELD
R
040AE
CN751
50
50
CN946A
CN945A
L/B
013AB
L/R
009AB
450
80
80
100
200300
R/B
505AA
CN001
JC07-2
JC04-1
JC04-2
100
10050
50
50
50
100
STØ08
COTØ10COTØ10 COTØ13
COTØ15
STØ08
COTØ10
COTØ15
COTØ07
COTØ07
COTØ10
COTØ07
COTØ28
JC06-2
COTØ22
STØ08
COTØ10
STØ08
300
100
Y/B
551AA
CN724
BR/B
146AA
CN704
BR/R
036AA
CN708
L/B
047AA
B/L
060AC
SL30
CN030
L/R
048AA
B/L
060AB
SL31
CN031
BR/W
053AA
B/L
060AD
SL33
CN033
W/R
1313AB
W
105AA
W
105AB
W
105AC
W
105AD
W
105AC
W
105AB
W
105AA
B
B08AI
100
100
80
80
80
JC05
JC02
JC04
35
50
50
50
50
50
50
50
50
50
50
50
50
200
100
100
100
100
100
B
S31-AA
SHIELD31
SHIELD
B
S29-AA
SHIELD29
SHIELD
B
S28-AA
SHIELD28
SHIELD
B
S27-AA
SHIELD27
SHIELD
100
100
150
150
CN1720
CN1474
W/G
115AA
CN765
W
203AB
B
S47-129
W
S47-128
R/Y
595AA
R/G
594AA
LG/Y
219AA
W/R
210AA
L/B
593AA
L/R
592AA
Y
590AA
W/B
910AB
B
B08BN
R/Y
077AB
CN680
Y/O
244AA
G/W
117AA
CN788
BR/B
550AA
W/G
019AA
Y/L
050AA
BR/B
146AB
CN702
R/B
141AD
R/B
141AC
BR/W
142AM
G/W
563AA
R/L
560AA
R/B
141AE
Y/B
236AC
R/L
249AA
R/B
141AB
R/B
141AF
Y
062AA
W/B
043AA
R/B
111AB
Y/B
107AB
R/G
113AB
Y/G
109AB
R/W
110AB
Y/W
106AB
R/L
112AB
Y/O
108AB
CN434
VCU
CN601
LG/Y
058AA
R/Y
031AB
R/B
032AA
O
034AB
R/L
030AA
R
040AA
L/R
048AA
L/B
047AA
G
094AB
G/B
089AA
BR/W
053AA
CN608
B
B45AF
B
B45AE
B
B45AD
L/Y
549AA
Y/O
540AA
Y/W
541AA
G/R
546AA
G/W
547AA
Y/R
245AA
BR
035AA
BR/Y
037AA
CN607
B
B45AC
L
524AA
Y
062AA
W/B
043AA
Y/L
050AA
L/R
568AA
R/L
560AA
L/Y
566AA
L/G
567AA
CN606
B
B45AB
L/G
513AA
Y/G
109AA
Y/B
107AA
Y/O
108AA
Y/W
106AA
L/B
523AA
L/W
522AA
L/R
514AA
SB
511AA
L/Y
512AA
L/O
521AA
CN605
B
B45AA
R/B
111AA
R/G
113AA
R/B
505AA
R/L
112AA
R/W
110AA
R
095AC
R
095AA
CN1 (Aux. board)
CN2 (Aux. board)
CN3 (Aux. board)
CN4 (Aux. board)
CN5 (Aux. board)
CN604
G/W
117AA
G/R
147AA
Y/G
232AA
B/Y
230AA
Y/O
244AA
BR/W
1311AA
BR/Y
1310AA
Y/R
161AB
BR/Y
1220AA
G/W
175AA
Y/W
081AA
Y/G
080AA
VCU
CN602
W/B
626AC
Y
604AA
W/B
626AB
L/G
021AC
L/G
021AB
L/G
021AD
W/B
626AC
W/B
626AB
G/L
615AC
G/L
615AL
G/L
615AA
Y/G
020AJ
Y/G
020AG
Y/G
020AH
Y/G
020AB
Y/G
020AC
Y/G
020AA
Y/G
020AE
R
095AC
R
095AA
Y/O
540AA
Y/W
541AA
G/R
546AA
R/W
033AA
Y/G
020AC
Y/L
168AA
Y/G
020AH
W/Y
618AA
G/W
547AA
B
B08AT
B
B08AS
B
B08AP
B
B08AJ
G/Y
240AC
BR/Y
246AA
50
100
35
B
S23-050
B
S32-081
W
S32-080
W/G
913AA
W/B
910AC
W/L
911AA
W/R
914AA
VCU
CN603
Y/R
607AA
L/Y
606AA
Y
604AA
G/L
615AL
Y/R
607AA
L/Y
606AA
W
S07-028
B
S07-027
W
S07-028
B
B10AC
W/R
003AA
B
B10AB
L/Y
005AA
BR
804AA
L/B
803AA
L/G
802AA
L/W
801AA
L/R
800AA
VCU
CN600
R
040AB
R/B
032AB
SL44, SL42 CN042
650
R/B
032AD
R/B
032AB
R/B
032AA
B
B08AE
B
B08AD
B
B08AN
350
100
300
N002
50 200
70
50 50 200
W
001AD
W
001AC
W
001AB
W
001AE
CN782
W/R
003AA
R/Y
092AE
R/Y
092AC
R/Y
092AB
W/B
910AB
W/B
910AC
B/Y
670AE
G/Y
240AB
R/L
124AC
R/L
124AE
R
095AD
R/Y
077AC
R/Y
077AB
BR
638AB
BR
638AC
BR/R
637AB
BR/R
637AC
R/Y
031AC
BR/W
142AB
BR/W
142AD
R
123AT
Y/G
232AA
W/B
043AB
Y/B
542AA
Y/L
545AA
L
524AA
L/B
523AA
L/W
522AA
L/O
521AA
L/Y
512AA
SB
511AA
L/R
514AA
L/G
513AA
G/W
563AA
Y/G
109AA
R/L
112AA
Y/W
106AA
Y/W
081AA
G/Y
1018AB
Y
078AA
R
S29-074
B
S29-076
W
S29-075
R
S28-071
B
S28-073
W
S28-072
R/B
111AA
R/W
110AA
R
S26-065
B
S26-067
W
S26-066
R
S27-068
B
S27-070
W
S27-069
Y
062AB
BR/W
142AJ
BR/W
142AL
W/Y
618AA
BR/W
142AI
L/R
009AD
Y/L
168AA
G/B
531AA
L/O
054AC
BR/W
142AE
W
001AA
W
A01AA
R/Y
092AB
R/Y
092AC
R/Y
077AC
W
A01AA
G/R
147AB
L/B
013AA
BR/W
142AA
BR/W
142AC
L/R
009AA
R
100AA
W
A02AA
B
B05AC
R
145AA
W
A02AF
BR/Y
037AA
BR/W
142AK
W/Y
618AB
BR/W
142AG
L/B
013AD
Y/L
168AB
Y/O
108AA
BR/W
142AY
R/W
556AA
B/Y
082AA
B/L
083AA
G/W
175AA
G/L
535AA
G/Y
534AA
B
B20HF
B
B20HH
R/G
113AA
Y/R
543AA
Y/G
544AA
G
530AA
L/W
569AA
L/R
568AA
L/G
567AA
L/Y
566AA
L/W
801AA
L/B
803AA
BR
804AA
L/R
800AA
L/G
802AA
Y
590AA
B
B20EI
LG/Y
058AA
G/R
533AA
G/W
532AA
BR/R
637AB
BR
638AB
W/R
210AA
R
040AD
R/B
032AD
Y/B
012AA
Y/R
008AA
G/R
629AA
G/Y
010AA
R
040AC
BR/W
142AF
BR
035AA
O
034AD
Y/G
020AG
Y/B
551AB
BR/B
550AA
B
B08AW
LG/Y
219AA
B
B08AJ
Y/R
543AA
B
B08AP
Y/G
544AA
B
B08AS
Y/B
542AA
B
B08AT
Y/L
545AA
N136
100
100
N110
200
50
10075 85
100
100
100
870
100
850
200
580
470
250
100
80
50 50
375
500
200
100
100
400
450
250
3535353575
3535357075
150
50
70 50 60 60
250200
500
900
200
950
950
510240
1840
250
900 200 1740 570
400
50
1730
120
70353575
870 470
CN950
200250
200
300
CN951
N101
35 35
CN1017
CN555
50
50
N135
CN021
50
CN738
50
SL14
CN014
SL13
CN013
SL10
CN010
SL09
CN009
SL12
CN012
SL11
CN011
SL08
CN008
SL07
CN007
N122
CN726
50
50
CN027
CN022
CN028
CN417
CN418
CN408
80
CN425
50
50
CN424
50
50
50
CN025
CN024
CN422
CN423
70
50
CN020
CN723
CN955
100
100
50
100
60
50
40
50
40
60
CN719
100
100
100
50
50
CN401
50
50
50
50
200
50
50
50
50
50
50
50
50
50
50
200
50
150
50
50
50
50
50
50
50
100
50
50
50
50
50
50
50
50
50
100
100
100
100
100
N242
N241
N236
N235
N232
N231
N230
N228
N227
N226
N225
N224
N223N222
N221
N220
N218
N217
N215
N214
N213
N211
N210
N207
N204
N202
N133
N132
N131
N130
N129
N128
N127
N126
N123
N119
N118
N117
N116
N115
N114
N113
N112
N102
N056
N055 N054
N053
N052
N039
N038
N037N036N035N034N033N032
N031
N026 N027N025
N023
N029N028N024
N021N020N019N018N017N016
N006
N014 N015N012
N005
N004
N003
N001
CN755
CN952
CN778
CN731
CN733
CN729
CN761
CN427
CN712
CN711
CN710
CN709
CN763
CN760
CN1004
CN705
CN707 CN706
CN954
CN717
CN026
CN789
CN403
CN402
CN1009
CN1008
CN023
CN739
CN400
SL05
CN005
SL04
CN004
SL03
CN003
SL02
CN002
CN619
CN929
CN727
Lock-up (SL49)
PTO (SL41)
CN041
CN405
CN404
CN732
CN734
CN728
RF2-2
RF2-1
RA1
1
RA8 RA16RA15RA13
RC12RC11 RC14RC13
120ΩM
F
F
F
F
F
F
M
M
F
M
M
F
F
M
M
M
F
F
F
M
M
M
F
F
F
M
F
3A
1.5A
1.5A
1.5A
1.5A
1.5A
1.5A
1.5A
3A
FF
F
FFFFFF
F
F
F
F
F
F
F
F
F
F
F
F
F
F
F
535460 55 5156 525859 57
31
40
21
30
11
20
41
50
12345678910
F
2122 1724 1423 18 1520 1319 16
12 11 12345678910
F
F
F
F
M
M
F
M
F
F
F
F
F
F
F
F
F
14 1715 16
13111 6
262221
3
19 24
104 5
18
2
2523
9 12
20
87
F
F
F
F
F
F
F
F
F
F
F
F
F
F FFF
F
F
F
F
F
M
F
F
F
F
F
F
F
F
F
F
F
M
F
FF FFF
F
F
FF
CN780
FUSE BOX(R)
FUSE BOX(L)
FUSE BOX(L)
FUSE BOX(L)
FUSE BOX(L)
FUSE BOX(L)
FUSE BOX(L)
FUSE BOX(R)
FUSE BOX(R)
FUSE BOX(R)
FUSE BOX(R)
F
F
F
F
F
F
F
F
F
F
F
F
F
F
F
F
F
F
F
F
F
F
FF
F
B20HO
B
CN1574
150
BR/W
142AD
350
CN951
N126
COTØ07
200150
COTØ07
300
B20HP
B
CN1573
300
B20RH
B
CN1576
BR/W
142AB
350
CN950
N128
BR/W
142AL
500
CN955
N236
300
B20TF
B
CN1575
BR/W
142AK
500
CN954
N242
220
30
200
Vinyl (Ø04ר05)
COTØ07
Vinyl (Ø04ר05)
COTØ07
PlugPlugPlugPlugPlug
Plug
Plug Plug Plug
PlugPlugPlug
Plug
Plug
Plug
PlugPlug
Plug
Plug
Plug
Plug
Plug
PlugPlug
PlugPlug
PlugPlug
PlugPlug
PlugPlugPlug
PlugPlug
PlugPlug
PlugPlug
Plug
Plug
Plug Plug
Plug
PlugPlugPlug
PlugPlug Plug
PlugPlug
PlugPlug
PlugPlugPlug
Plug
Plug Plug Plug
Plug
Plug
Plug
Plug
BR/Y
1220AB
1220AA
9
250
COTØ22
40 150
1515
50
50
B
S52-AA
SHIELD52
SHIELD
50
B
S23-AA
SHIELD23
SHIELD
COTØ22
100
100
N074
COTØ07
250
COTØ22
200
100
COTØ28
50
N074
10
8
: FE0636 --
9
: FE0837 --
10
: FE0885 --
7
Applicable serial No. : FE0601 --
7
7
7
7
8
8
8
8
Head lamp (L)
CAN terminating resistance
Water pump
relay
Joint connector
Vinyl (Ø04ר05)
Electrical box ground
Emergency head lamp
Emergency head lamp
Safety relay
GND
GND (VCU)
GND
Vinyl (Ø04ר05)
PTO relay
Diode (PTO)
Diode (Battery relay)
Diode (Emergency accelerator SW)
Diode (Accelerator SW)
Diode (DIAG lamp 2)
Diode (DIAG lamp 1)
Diode (Lock pin)
GND (CAN)
GND (Accelerator)
GND (ECM)
GND (ECM)
GND
Vinyl (Ø04ר05)
GND
GND (VCU)
GND (Communication)
GND
GND
Governor
selection relay
Alternator (I)
Joint connector
Positive control (SL96)
Torque converter oil pressure detector
ECM DIAG/DPF regeneration SW
ECM DIAG SW (up/down)
ECM DIAG SW (down)
ECM DIAG SW (up)
Drive mode
detection SW
Temperature SW (85ºC/185ºF)
Temperature SW (85ºC/185ºF)
Over-side lamp
(right center)
Electric retractable mirror motor (L2)
Over-side lamp (right rear end)
Over-side lamp (left rear end)
Battery relay - side
Grid heater relay
ECM DIAG/DPF regeneration SW
Over-side lamp (left center)
Main speed sensor
Retarder control valve 2 (NO)
Retarder control valve 1 (NC)
Joint connector
Jack (RL) (SL29)
ECM (Cummins)
(OEM60PIN CONNECTOR)
ECM (Cummins)
(OEM24PIN CONNECTOR)
Grid heater
Coolant level detection SW
Head lamp (R)
Vinyl (Ø04ר05)
Center joint
GND
Side turn signal (L)
Side turn signal (R)
Buck buzzer
Side turn signal (L)
Side turn signal (R)
Hydraulic suspension power supply
Vinyl (Ø04ר05)
Vinyl (Ø04ר05)
Vinyl (Ø04ר05)
Vinyl (Ø04ר05)
Vinyl (Ø04ר05)
Vinyl (Ø04ר05)
Vinyl (Ø04ר05)
Vinyl (Ø04ר05)
Side back lamp
Head lamp relay
Head lamp relay
Return filter
clogging detection SW (GND)
Return filter clogging detection SW
Terminal assy
Retarder controller
Joint connector
Outrigger control box
Head lamp relay
Head lamp relay
Head lamp relay
Head lamp relay
Combination lamp (R)
DIAG lamp (orange)
DIAG lamp (green)
DIAG lamp (red)
Temperature SW
(50ºC/122ºF)
Marker lamp
Marker lamp
Temperature SW
(50ºC/122ºF)
Bundle the wiring with N012 for supply.
Roll to the terminal with tape.
O/R extending (SL21)
BOX ASSY (Battery relay)
BOX ASSY (VCU)
CN1 (Main board)
Jack (RR)
(SL27)
Slide (FR)
(SL22)
Slide (RL) (SL28)
Rear steering
lock pin IN detection SW
Rear steering
lock pin OUT detection SW
Straight ahead detection SW
O/R length detector (RR)
O/R length
detector (RL)
Jack (FL)
(SL25)
Slide (FL)
(SL24)
O/R length detector (FL)
O/R length detector (FR)
O/R retracting (SL20)
License lamp (12W)
Marker lamp
Rear
combination lamp (R)
Marker lamp
DIAG lamp (red)
DIAG lamp (orange)
DIAG lamp (green)
Torque conveter oil temperature sensor
Combination lamp (L)
Combination lamp (L)
Combination lamp (R)
Combination lamp (R)
Marker lamp
Rear combination lamp (L)
Slide (RR)
(SL26)
Joint connector
Combination lamp (L)
Jack (FR)
(SL23)
Electric retractable mirror motor (R)
Hydraulic suspension (R) vehicle height adjustment
Hydraulic suspension (L) vehicle height adjustment
Steering mode selection
Suspension lock selection
For VCU maintenance
DIAG SW (For retarder)
DIAG SW (For retarder)
Emergency transmission
selection relay
Emergency transmission
selection relay
Side back
lamp relay
GND
(VCU)
GND
(VCU)
Head lamp
High/Low selection (R)
Vehicle height detection
(FL, H)
Vehicle height detection
(FL, L)
Vehicle height detection
(FR, H)
Vehicle height detection
(FR, L)
Retarder drum temperature sensor
(Retarder body)
Head lamp
High/Low selection (L)
Sub. speed sensor
(pick-up sensor)
Center joint
Center joint
Center jointCenter joint
Center joint
Differential lock detection SW
Upper
power supply
fuse
(75A)
Diode (coolant level detection)
Diode (grid heater)
Battery relay - side
Battery relay - side
Battery relay - side
Vehicle height detection
(RR, L)
Vehicle height detection
(RR, H)
Roll to the terminal with tape.
Vehicle height detection
(RL, L)
Vehicle height detection
(RL, H)
Emergency
transmission
selection
relay 1
Clearance
lamp relay
Backup
lamp relay
Retarder stop
lamp relay
O/R accelerator
relay
Starter lock-out
relay
Steering SL.
GND relay
(Lock pin
OUT)
Steering SL.
GND relay
(Lock pin
RELEASE)
Transmission
power supply
cutoff relay
PTO limiter
relay
Battery power
keeping relay
Starter
cutoff relay
Coolant level
detection SW relay
Mirror (R)
extension relay
Mirror (R)
retraction relay
Mirror (L)
extension relay
Mirror (L)
retraction relay
Roll to the terminal with tape.
Level
(Lamp)
Electric retractable mirror
motor (L)
Roll to the terminal
with tape.
Divaricate SHIELD 23
and 52 around N074.
For waterproofing, process heat shrinkable
tube where the divergence point is over
50 mm from N006 to N012 direction.
Divaricate SHIELD 48,
50B, and 16 around N252.
Divaricate SHIELD 32
around N002.
Divaricate SHIELD 26, 27,
28, 29, and 31 around N003.
Divaricate SHIELD 47
around N003.
Divaricate SHIELD 49,
50A, and 07 around N006.
Battery relay + side
(Relay driving side)
For waterproofing, process heat shrinkable
tube where the divergence point is over
50 mm from N222 to N220 direction.
Fix with yellow tape.
Fix with
yellow tape.
Roll to the terminal
with tape. (7 places)
Roll to the terminal with tape.
Fix with
yellow tape.
Battery relay + side
Roll to the terminal
with tape.
Marker lamp
(Option)
Marker lamp
Marker lamp
Marker lamp
Marker lamp
(Option)
Marker lamp
(Option)
Marker lamp
Marker lamp
(Option)
Vinyl (Ø04ר05)
Fastener

Table of Contents

Related product manuals