EasyManua.ls Logo

VersaMed iVent201 - Page 265

VersaMed iVent201
310 pages
Print Icon
To Next Page IconTo Next Page
To Next Page IconTo Next Page
To Previous Page IconTo Previous Page
To Previous Page IconTo Previous Page
Loading...
iVent201 Operator's Manual
253
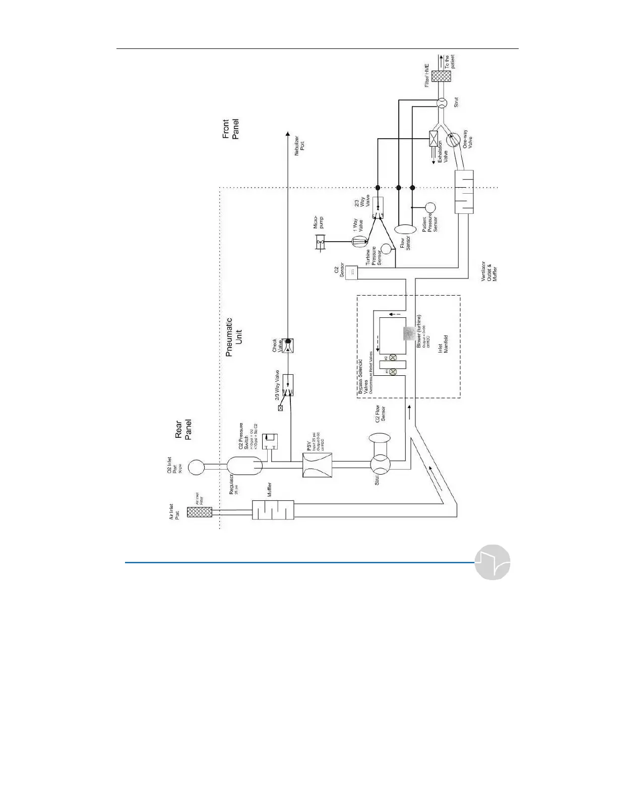
Figure C-1 PC/Pneumatic Schematic Diagram

Table of Contents

Other manuals for VersaMed iVent201