EasyManua.ls Logo

ABB ACS880-104

ABB ACS880-104
406 pages
To Next Page IconTo Next Page
To Next Page IconTo Next Page
To Previous Page IconTo Previous Page
To Previous Page IconTo Previous Page
Loading...
Electrical installation 157
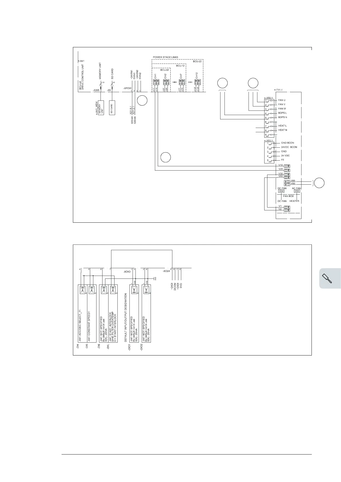
7. On the BCU control unit, connect the DIIL input to a +24VD terminal.
8. If the Safe torque off (STO) function is to be used, remove the jumper connection
between X52 and X53 on each module. Wire the STO link to all inverter modules of
the inverter unit. Connect the device triggering the STO function to the BCU control
unit.
6
52
3
4
7. On the BCU control unit, connect the DIIL input to a +24VD terminal.
Electrical installation 157
7. On the BCU control unit, connect the DIIL input to a +24VD terminal.
8. If the Safe torque off (STO) function is to be used, remove the jumper connection
between X52 and X53 on each module. Wire the STO link to all inverter modules of
the inverter unit. Connect the device triggering the STO function to the BCU control
unit.
6
52
3
4
8. If the Safe torque off (STO) function is to be used, remove the jumper connection
between X52 and X53 on each module. Wire the STO link to all inverter modules of the
inverter unit. Connect the device triggering the STO function to the BCU control unit.
Electrical installation 155
11

Table of Contents

Other manuals for ABB ACS880-104

Related product manuals