EasyManua.ls Logo

ABB ACS880-104

ABB ACS880-104
406 pages
To Next Page IconTo Next Page
To Next Page IconTo Next Page
To Previous Page IconTo Previous Page
To Previous Page IconTo Previous Page
Loading...
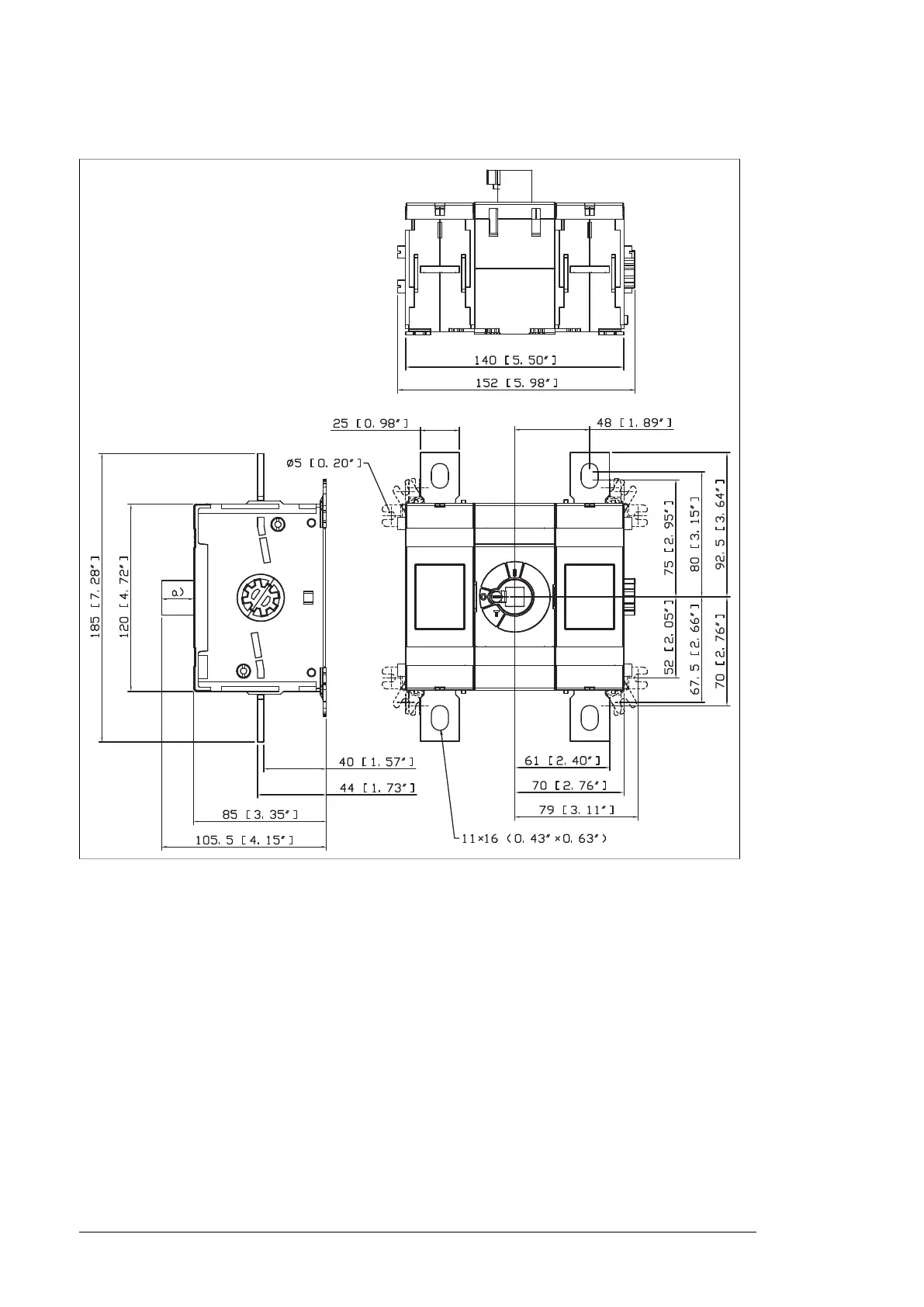
OT400E11
a) The shaft must extend into the switch at least 20 mm (0.79″).
364 Dimension drawings

Table of Contents

Other manuals for ABB ACS880-104

Related product manuals