EasyManua.ls Logo

ABB ACS880-104

ABB ACS880-104
406 pages
To Next Page IconTo Next Page
To Next Page IconTo Next Page
To Previous Page IconTo Previous Page
To Previous Page IconTo Previous Page
Loading...
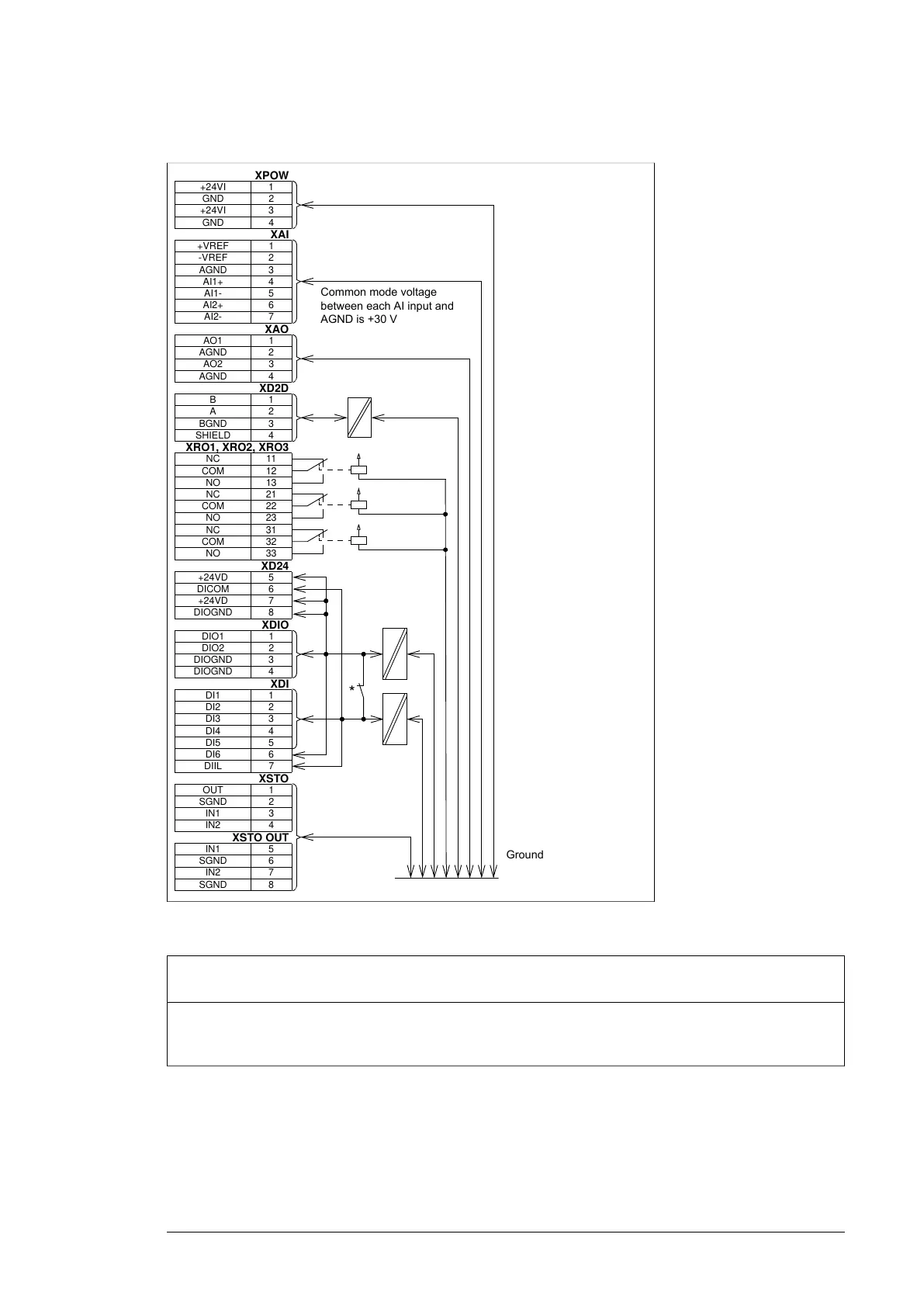
BCU-x2 ground isolation diagram
Control units of the drive 137
Ground isolation diagram
XPOW
+24VI 1
GND 2
+24VI 3
GND 4
XAI
+VREF 1
-VREF 2
AGND 3
AI1+ 4
AI1- 5
AI2+ 6
AI2- 7
XAO
AO1 1
AGND 2
AO2 3
AGND 4
XD2D
B1
A2
BGND 3
SHIELD 4
XRO1, XRO2, XRO3
NC 11
COM 12
NO 13
NC 21
COM 22
NO 23
NC 31
COM 32
NO 33
XD24
+24VD 5
DICOM 6
+24VD 7
DIOGND 8
XDIO
DIO1 1
DIO2 2
DIOGND 3
DIOGND 4
XDI
DI1 1
DI2 2
DI3 3
DI4 4
DI5 5
DI6 6
DIIL 7
XSTO
OUT 1
SGND 2
IN1 3
IN2 4
XSTO OUT
IN1 5
SGND 6
IN2 7
SGND 8
*
Common mode voltage
between each AI input and
AGND is +30 V
Ground
*Ground selector (DICOM=DIOGND) settings
DICOM=DIOGND: ON
All digital inputs share a common ground (DICOM connected to DIOGND). This is the default setting.
DICOM=DIOGND: OFF
Ground of digital inputs DI1…DI5 and DIIL (DICOM) is isolated from DIO signal ground (DIOGND). Isolation
voltage 50 V.
Control units of the drive 311

Table of Contents

Other manuals for ABB ACS880-104

Related product manuals