EasyManua.ls Logo

ABB ACS880-104

ABB ACS880-104
406 pages
To Next Page IconTo Next Page
To Next Page IconTo Next Page
To Previous Page IconTo Previous Page
To Previous Page IconTo Previous Page
Loading...
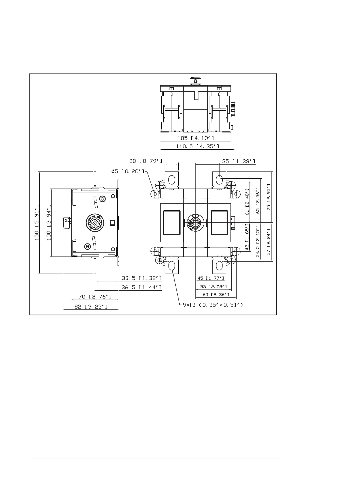
OT_ switch/disconnectors
OT200E11
a) The shaft must extend into switch at least 14 mm (0.55″).
362 Dimension drawings

Table of Contents

Other manuals for ABB ACS880-104

Related product manuals