EasyManua.ls Logo

ABB ACS880-104

ABB ACS880-104
406 pages
To Next Page IconTo Next Page
To Next Page IconTo Next Page
To Previous Page IconTo Previous Page
To Previous Page IconTo Previous Page
Loading...
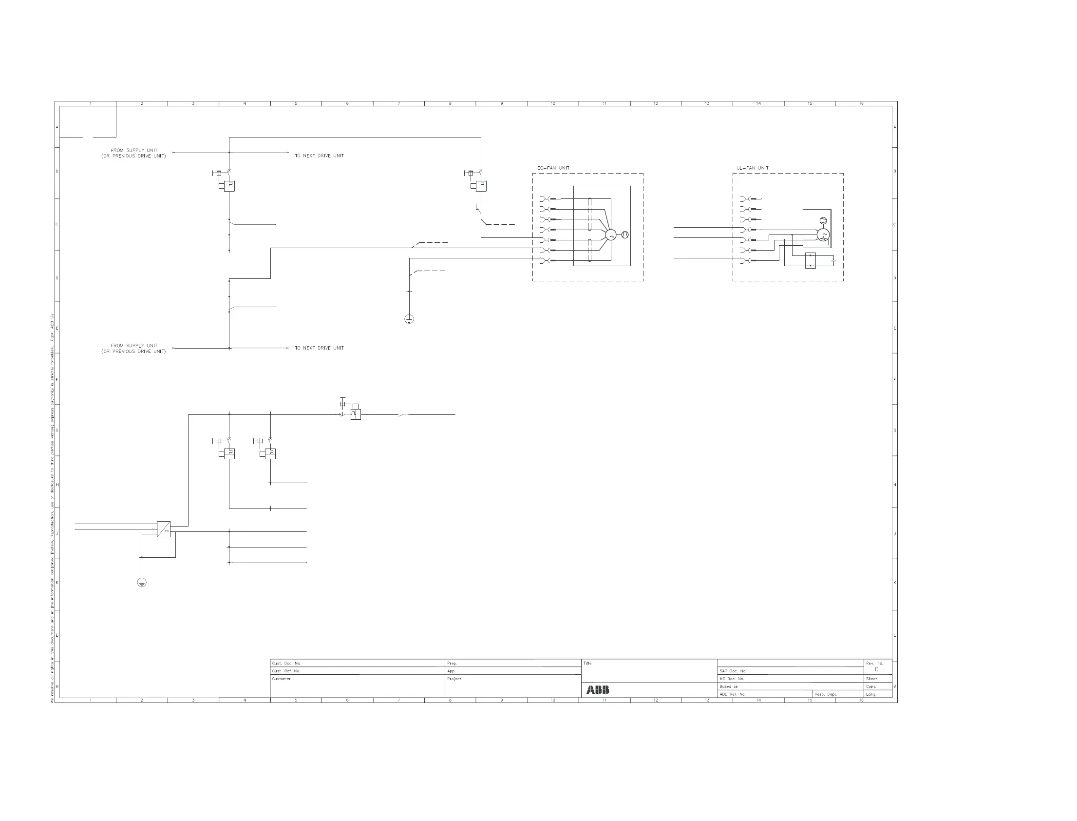
Frame R5i Sheet 020 (Auxiliary voltage distribution)
I>
=-F21
12
I>
=-X21
4
=-X21
1
2
;X22:11.1
~
=-T22
L
+
-
PE
N
230VAC
24VDC
5C
=-X22
PE2
=-20PE
1PE
=-20PE
2PE
;X22:1.1
5E
=-X25
214
=-X25
204
=-X22
PE1
I>
=-F26
12
I>
;X51_24VP:1
026/12K
;X51_24VN:1
026/12K
+11.1
=11
3
=-X26.1
1
2
3
4
5
6
7
RD
YE
WH
BU
BN
BU
GNYE
1
M
=-G26.1
+10V
PE
N
L
GND
TACHO
PWM
FA N UNIT
;X51_24VN:2
026/12K
;K11:A2
001/4K
;X51_24VP:2
026/12K
;X22:11.1
1J
;X22:1.1
1J
=-X22
3
=-X22
11
2
12
1
13
RD10277
=-K26
12
1411
026/14B
=-Q11
13 14
001/2B
CABINET ROOF FAN SUPPLY
NOTE: *) 400/600 mm IP20 IP42 CABINET FAN UNIT example.
3AXD10000332272 020
026
020.DWG
ACS880-104
INU R5i
Aux. Voltage Supply, Roof fans
Circuit Diagram
EN
Vanin Oleg29.12.2016
Asikainen Mika29.12.2016
>;F20N:1 >;F20N:2
>;F20L:2>;F20L:1
=-F112
12
I>
I>
=-F110
12
I>
=-X21
5
I>
=-F111
12
I>
=-X21
6
=-X21
7
;UL-FAN:N
;UL-FAN:L
;UL-FAN:PE
;F11.2:NC
001/4K
=-X26.1
1
2
3
4
5
6
7
=-C3.1
1
2
-X41.1
M
GNYE
BR
BU
BK
1
FA N UNIT
=-G26.1
;UL-FAN:L
;UL-FAN:N
;UL-FAN:PE
*)*)
388 Circuit diagrams

Table of Contents

Other manuals for ABB ACS880-104

Related product manuals