EasyManua.ls Logo

ABB ACS880-104

ABB ACS880-104
406 pages
To Next Page IconTo Next Page
To Next Page IconTo Next Page
To Previous Page IconTo Previous Page
To Previous Page IconTo Previous Page
Loading...
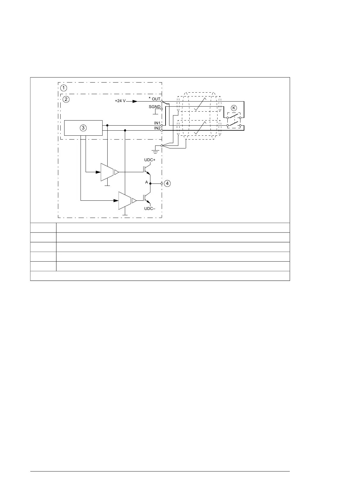
Dual-channel connection with internal power supply
Frames R1i…R7i
+24 V
OUT
SGND
IN2
UDC+
UDC–
A
K
IN1
1
2
3
4
*
Inverter unit1
Control unit2
Control logic3
To motor4
Activation switchK
* "OUT1" with frame R5i
316 The Safe torque off function

Table of Contents

Other manuals for ABB ACS880-104

Related product manuals