EasyManua.ls Logo

ABB REL650 - Page 117

ABB REL650
942 pages
Print Icon
To Next Page IconTo Next Page
To Next Page IconTo Next Page
To Previous Page IconTo Previous Page
To Previous Page IconTo Previous Page
Loading...
ZML1Zx
NDZx
PHSL1
OR
ZML2Zx
PHSL2
ZML3Zx
PHSL3
ZML1L2Zx
PHSL1L2
ZML2L3Zx
PHSL2L3
ZML3L1Zx
PHSL3L1
OR
DIRL1Zx
AND
DIRL2Zx
AND
AND
OR
AND
AND
AND
DIRL3Zx
DIRL1L2Zx
DIRL2L3Zx
DIRL3L1Zx
L1Zx
PEZx
L2Zx
PPZx
OR
OR
OR
AND
AND
AND
AND
AND
AND
Integer
to Bool
L1N
L2N
L3N
L1L2
L2L3
L1L3
RELCNDZx
IEC12000140-2-en.vsdx
L3Zx
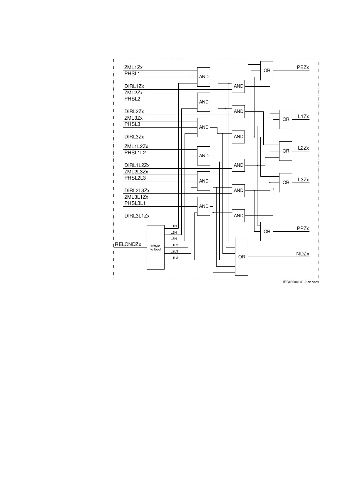
IEC12000140 V2 EN-US
Figure 43: Intermediate logic
1MRK 506 382-UEN A Section 6
Impedance protection
Line distance protection REL650 2.2 IEC 111
Technical manual

Table of Contents

Other manuals for ABB REL650

Related product manuals