EasyManua.ls Logo

ABB REL650 - Page 466

ABB REL650
942 pages
Print Icon
To Next Page IconTo Next Page
To Next Page IconTo Next Page
To Previous Page IconTo Previous Page
To Previous Page IconTo Previous Page
Loading...
AND
OR
OR
OR
AND
AND
t
tPickUpWEI
t
200 ms
AND
AND
t
1500 ms
CBOPEN
VTSZ
WEIBLK1
WEIBLK2
CRL
BLOCK
t
50 ms
t
200 ms
WEI = Echo
ECHO
CR
IEC09000032-6-en.vsd
IEC09000032 V6 EN-US
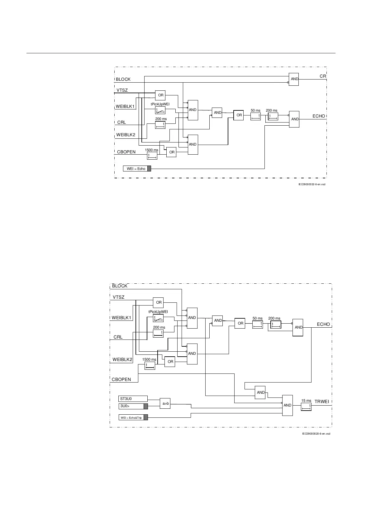
Figure 236: Simplified logic diagram for weak-end infeed logic - Echo
With the WEI= Echo & Trip setting, the logic sends an echo according to the
diagram above. Further, it activates the TRWEI signal to trip the breaker if the echo
conditions are fulfilled and the neutral point voltage is above the set operate value
for 3U0>.
The voltage signal that is used to calculate the zero sequence voltage is set in the
earth fault function which is in operation.
AND
OR
OR
OR
AND
AND
t
tPickUpWEI
t
200 ms
AND
AND
t
1500 ms
CBOPEN
VTSZ
WEIBLK1
WEIBLK2
CRL
BLOCK
t
50 ms
t
200 ms
WEI = Echo&Trip
ECHO
IEC09000020-6-en.vsd
AND
3U0>
a>b
t
15 ms
TRWEI
ST3U0
IEC09000020 V6 EN-US
Figure 237: Simplified logic diagram for weak-end infeed logic - Echo & Trip
Section 12 1MRK 506 382-UEN A
Scheme communication
460 Line distance protection REL650 2.2 IEC
Technical manual

Table of Contents

Other manuals for ABB REL650

Related product manuals