EasyManua.ls Logo

ABB REL650 - Page 657

ABB REL650
942 pages
Print Icon
To Next Page IconTo Next Page
To Next Page IconTo Next Page
To Previous Page IconTo Previous Page
To Previous Page IconTo Previous Page
Loading...
T
F
T
F
T
F
X
60.0
q
-1
0.0
q
-1
&
RSTACC
EAFPrestVal
ACCINPRG
P* (ACTIVE FORWARD)
EAFACC
a>b
a
b
1000 GWh
q
-1
= unit delay
IEC13000187-5-en.vsdx
IEC13000187 V5 EN-US
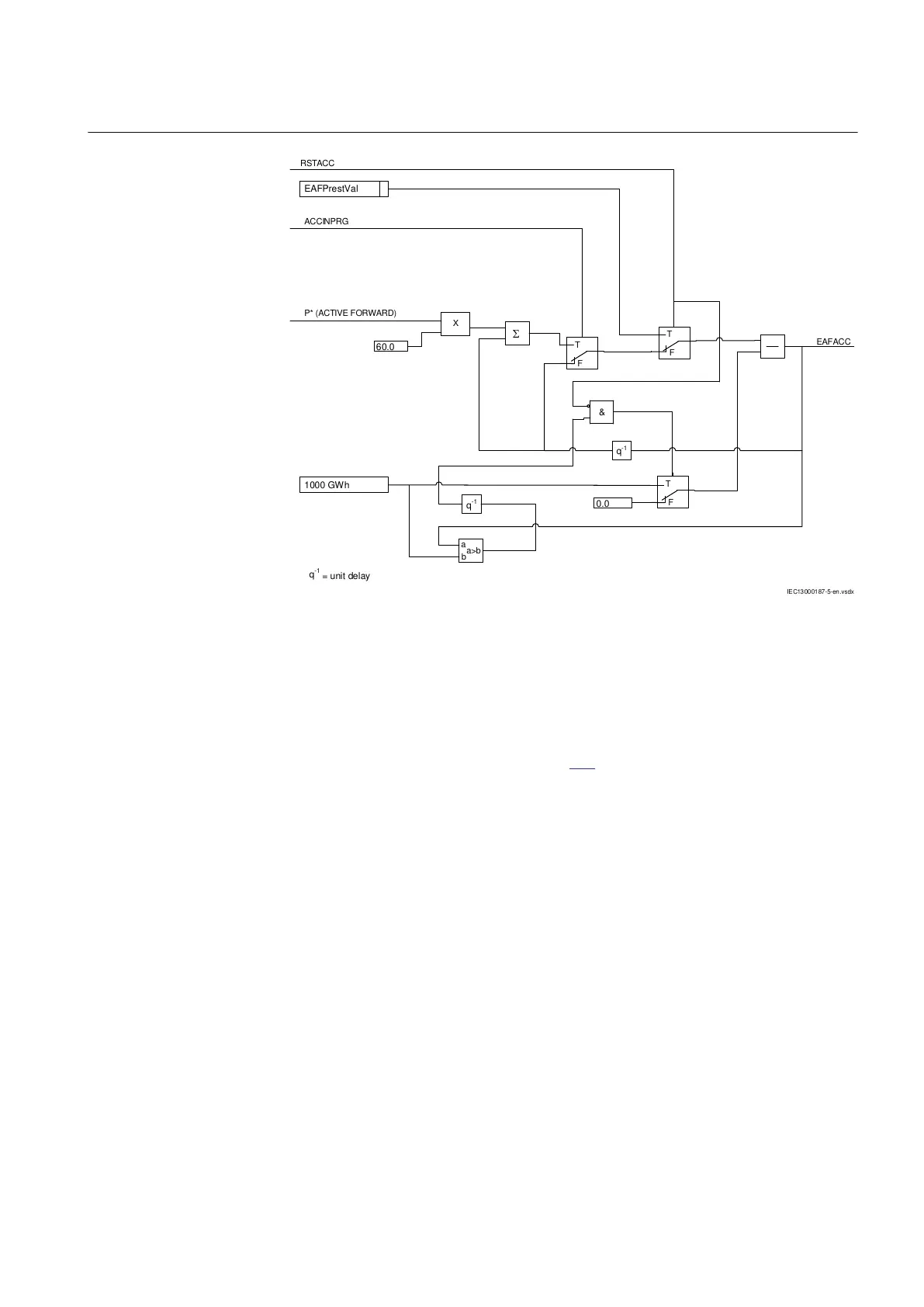
Figure 330: Logic for integration of active forward energy
The energy pulses generated by using internally calculated accumulated energy
values and energy per pulse (ExxAccPlsQty) setting. The accumulated energy
values are divided by the energy-per-pulse value to get the number of pulses. The
number of pulses can be reset to zero by activating RSTACC input or by using the
local HMI reset menu. The pulse on and off time duration is set by the settings
tEnergyOnPls and tEnergyOffPls. Figure
331 shows the logic for pulse output
generation for the integrated energy in the active forward direction. Similarly, the
pulse generation for integrated energy in the active reverse, reactive forward and
reactive reverse is done.
1MRK 506 382-UEN A Section 15
Metering
Line distance protection REL650 2.2 IEC 651
Technical manual

Table of Contents

Other manuals for ABB REL650

Related product manuals