EasyManua.ls Logo

Acer eMachines E720 Series - Wireless Function Failure; Easytouch Button Failure

Acer eMachines E720 Series
214 pages
Print Icon
To Next Page IconTo Next Page
To Next Page IconTo Next Page
To Previous Page IconTo Previous Page
To Previous Page IconTo Previous Page
Loading...
152 Chapter 4
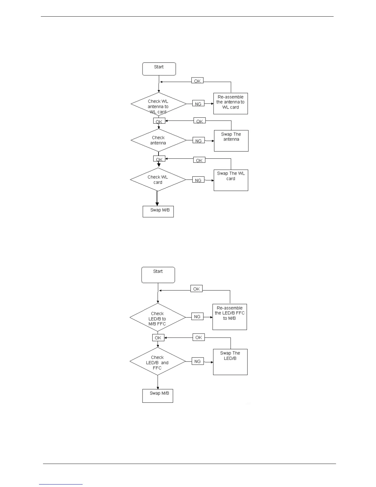
Wireless Function Failure
If the WLAN fails, perform the following actions one at a time to correct the problem. Do not replace a non-
defective FRUs:
EasyTouch Button Failure
If the Acer EasyTouch buttons fail, perform the following actions one at a time to correct the problem. Do not
replace a non-defective FRUs:

Table of Contents

Related product manuals