EasyManua.ls Logo

Aerotech Ensemble Epaq - Page 67

Aerotech Ensemble Epaq
112 pages
Print Icon
To Next Page IconTo Next Page
To Next Page IconTo Next Page
To Previous Page IconTo Previous Page
To Previous Page IconTo Previous Page
Loading...
Installation and Configuration Ensemble Epaq Hardware Manual
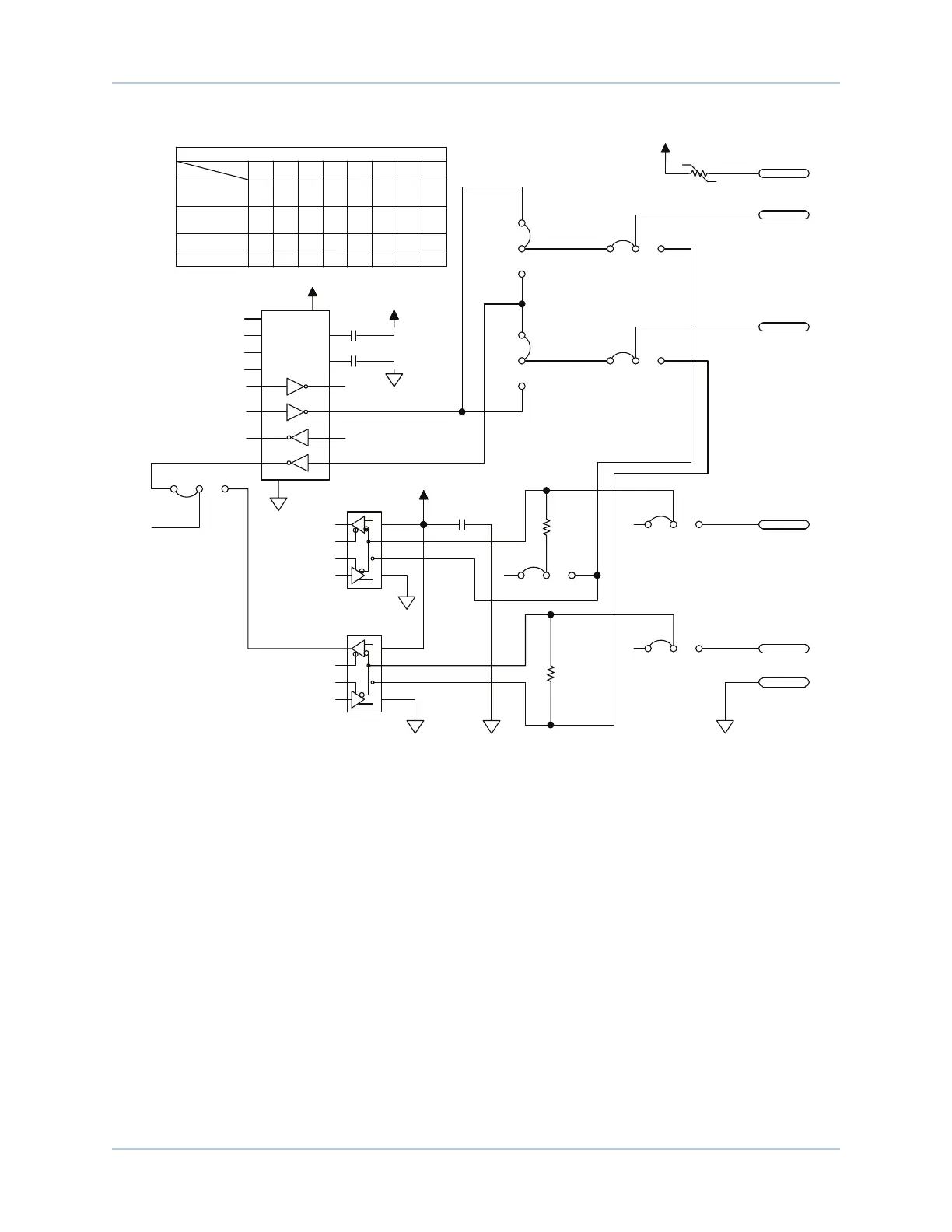
SERIAL COMMUNICATIONS MODE SELECT
JP2 JP3 JP4 JP5 JP6 JP7 JP8 JP9
1-2 1-2 1-2 1-2 1-2 1-2 1-2 1-2
1-2 1-2 1-2 1-2 2-3 2-3 1-2 1-2
2-3 2-3 2-3 2-3 1-2 1-2 1-2 2-3
2-3
+5V
.47
MAX232E
JP9
2
1 3
JP8
180
180
2
1 3
JP2
2
1 3
JP3
2
1 3
JP4
2
1 3
JP5
2
+5V
F2
SMDC050
TX/TX1+
RX/RX1+
TX1-
RX1-
J104-5
J104-6
J104-4
J104-3
J104-2
J104-1
1 3
JP6
2
13
JP7
2
13
.47
+5V
+5V
ADM485
+
10UF 6.3V
ADM485
RS232
(DEFAULT)
RS232
(RESERVED)
RS422
RS485 1-2 2-3 2-3 1-2 1-2 2-3 2-3
Figure 2-33: RS-232/RS-485 Interface
www.aerotech.com Chapter 2 53

Table of Contents