EasyManua.ls Logo

Aerotech Ensemble Epaq - Page 87

Aerotech Ensemble Epaq
112 pages
Print Icon
To Next Page IconTo Next Page
To Next Page IconTo Next Page
To Previous Page IconTo Previous Page
To Previous Page IconTo Previous Page
Loading...
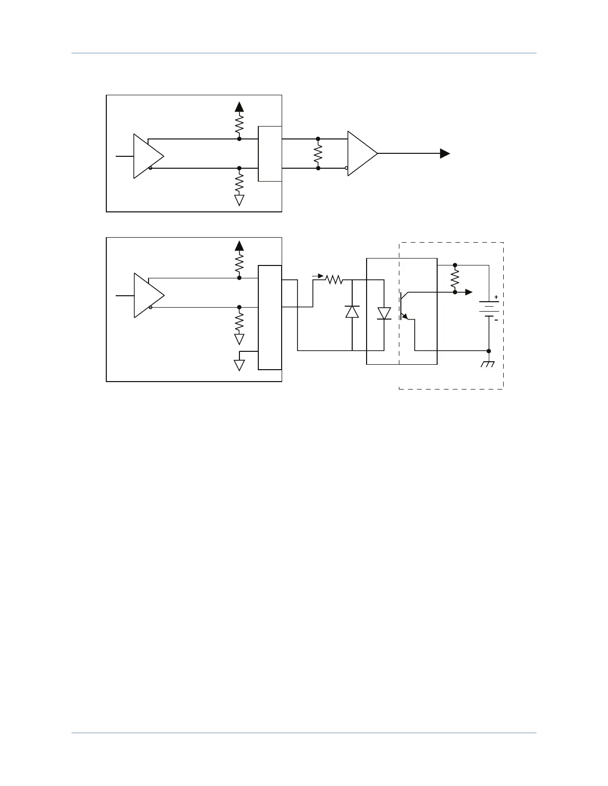
-IO Expansion Board Ensemble Epaq Hardware Manual
+5 VDC
1K
1K
6
Aux
Enc
Aux
Enc
1
Active Low
Output *
* Active low output shown. Opposite polarity available by reversing connections to Pins 1 and 6.
Aux. Marker
120 - 180 Ω (typical)
10 mA 180 Ω
Differential
+5 VDC
Isolated Section
vcc
To Laser
Active Low
Output*
HCPL-2601 or
6N136
1N4148
1K
1K
6
1
8
Aux. Marker
Opto-Isolated
Figure 3-15: PSOInterface
www.aerotech.com Chapter 3 73

Table of Contents

Related product manuals