EasyManua.ls Logo

Anritsu MX269018A - Setting AF Signal

Anritsu MX269018A
180 pages
Print Icon
To Next Page IconTo Next Page
To Next Page IconTo Next Page
To Previous Page IconTo Previous Page
To Previous Page IconTo Previous Page
Loading...
3.7 RX Measurement Mode
3-73
3
Measurement
3.7.4 Setting AF signal
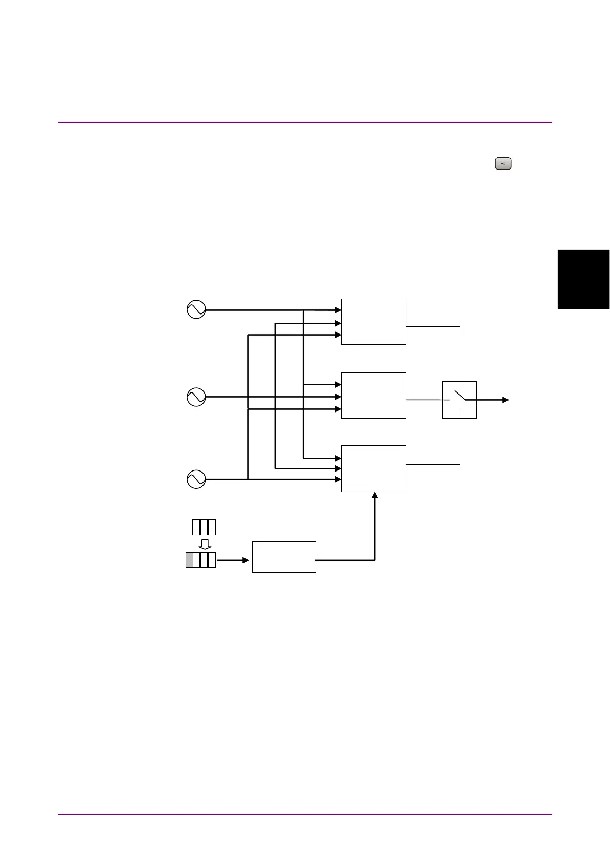
This section describes the setting for the AF signal. Pressing (AF
Setting) in the main function menu displays the AF Setting function
menu.
Each AF signal source is modulated with the modulation method set with
Modulation for AF signal to be output. The AF signal sources include two
signal sources (AF1 and AF2) that generate Tone signals and a signal
source that generates DCS signals. The file created by USER can be used
from AF1 instead of Tone signals.
AF2
AM
Modulator
AF1
Digital Squelch
M
Modulator
FM
Modulator
3digit Code
Golay(23,12)
12bit
Modulation Select
AF3
*: AF3 is available only when MS2830A-018/118 is installed.
Figure 3.7.4-1 AF Signal Generation Method Diagram
AF1 Tone
Summary
Selects the signal output of AF1 signal source.
If User is selected, AF2 Tone and Digital Code Squelch are set to Off
automatically.

Table of Contents

Related product manuals