EasyManua.ls Logo

Antelope Pico - Pico Camera Connection Chart

Antelope Pico
104 pages
Print Icon
To Next Page IconTo Next Page
To Next Page IconTo Next Page
To Previous Page IconTo Previous Page
To Previous Page IconTo Previous Page
Loading...
Operating Guide 14
Antelope Camera Systems
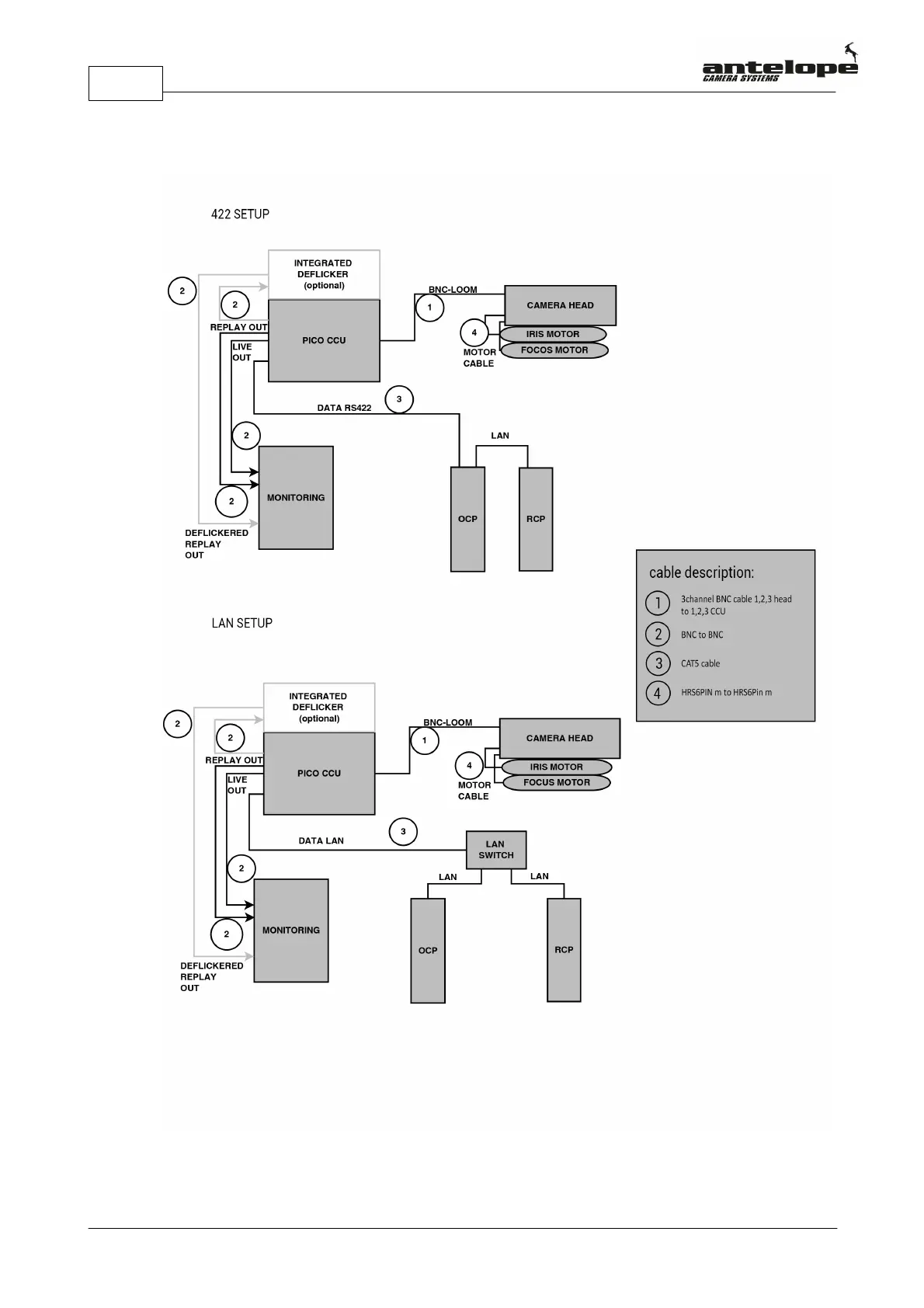
2.3 Pico Camera Connection Chart

Table of Contents