EasyManua.ls Logo

BK Vibro VIBROCONTROL 6000 - Page 38

BK Vibro VIBROCONTROL 6000
233 pages
Print Icon
To Next Page IconTo Next Page
To Next Page IconTo Next Page
To Previous Page IconTo Previous Page
To Previous Page IconTo Previous Page
Loading...
Mounting and Installation Part A VC 6000
TM
Compact monitor
© VC 6000
TM
Compact monitor Juni 2014 C100575.002 Introduction Vers.10 - 28 -
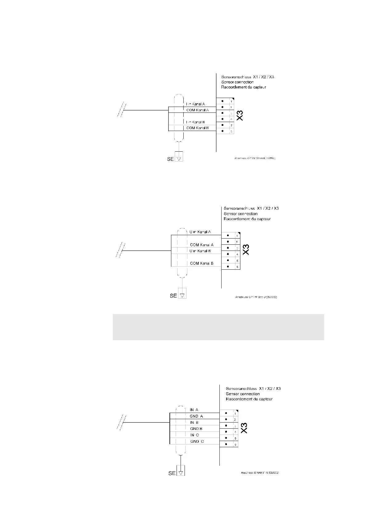
9.5.1.5 0/4..20 mA signals at GP input module (GP-TIM)
9.5.1.6 0/2...10 V signals at GP input module (GP-TIM)
Note:
At one GP-TIM either two current inputs or two voltage inputs can be
used. A mixture of the two signal types at one GP-TIM is not possible!
9.5.1.7 3-channel input module for binary status signals

Table of Contents