EasyManua.ls Logo

Electrolux E23CS75DSS0 - Page 92

Electrolux E23CS75DSS0
135 pages
Print Icon
To Next Page IconTo Next Page
To Next Page IconTo Next Page
To Previous Page IconTo Previous Page
To Previous Page IconTo Previous Page
Loading...
92
Section F - Ice Maker
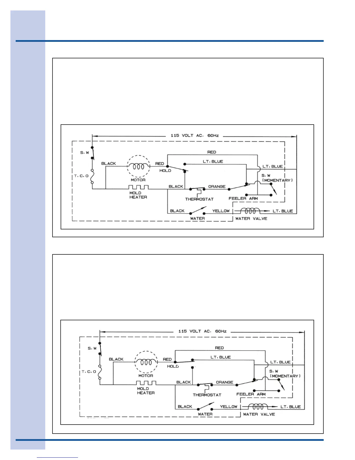
2
•IceMakerconnectedtoelectricity.
•Moldtemperatureabove9°F.
•Thermostatcloses.
•Motorstarting.
•Moldstartingtoheat.
•ControlArminthedownposition.
•FeelerArmSwitchclosedCtoNO.
•HoldSwitchclosedCtoNC.
•WaterFillSwitchopen.
3
•IceMakerconnectedtoelectricity.
•Moldtemperatureabove9°F.
•Thermostatclosed.
•Motorstartingtorotate.
•Moldstartingtoheat.
•ControlArminthedownposition.
•FeelerArmSwitchclosedCtoNO.
•HoldSwitchclosedCtoNC.
•WaterFillSwitchopen.
F 8
599485595 August 2007
Ice Maker connected to electricity.
Mold temperature above 9 F.
Thermostat closes.
Motor starting.
Mold starting to heat.
Control Arm in the dowm position.
Feeler Arm Switch closed C to NO.
Hold Switch closed C to NC.
Water Fill Switch open.
Ice Maker connected to electricity.
Mold temperature above 9 F.
Thermostat closed.
Motor starting tp rotate.
Mold starting to heat.
Control Arm in the dowm position.
SFeeler Arm Switch closed C to NO.
Hold Switch closed C to NO.
Water Fill Switch open.
2
3
F 8
599485595 August 2007
Ice Maker connected to electricity.
Mold temperature above 9 F.
Thermostat closes.
Motor starting.
Mold starting to heat.
Control Arm in the dowm position.
Feeler Arm Switch closed C to NO.
Hold Switch closed C to NC.
Water Fill Switch open.
Ice Maker connected to electricity.
Mold temperature above 9 F.
Thermostat closed.
Motor starting tp rotate.
Mold starting to heat.
Control Arm in the dowm position.
SFeeler Arm Switch closed C to NO.
Hold Switch closed C to NO.
Water Fill Switch open.
2
3

Table of Contents

Related product manuals